Operation CHARM: Car repair manuals for everyone.
Manuals through 2025 now available!

Our trusted friends have launched a new website named LEMON, which has newer manuals. It also contains all the CHARM manuals.

LEMON is the spiritual successor to CHARM, I recommend you try it!

Link: lemon-manuals.la or lemon-manuals.org.ua

(Some people have issue connecting. LEMON is investigating. For now, use Firefox or change your DNS server)

Or, hide this message: temporarily or permanently

Transmission Position Sensor/Switch: Service and Repair




ON-VEHICLE SERVICE

Transmission Range Switch


COMPONENTS












REMOVAL AND INSTALLATION

Removal
1.Disconnect the battery negative terminal.
2.Remove air duct (inlet).





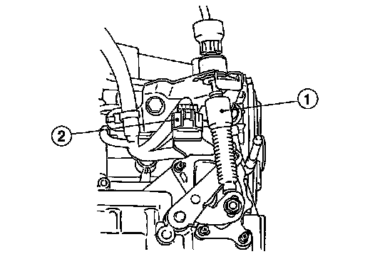
3.Remove shift selector control cable (1) from manual lever. A/T Shift Selector Removal And Installation.
4.Disconnect transmission range switch harness connector (2).
5.Remove transmission range switch bolts.
6.Set manual lever in "P" position.
7.Remove transmission range switch from A/T.
Installation
Installation is in the reverse order of removal.
NOTE:
- Align transmission range switch position when installing.
- After installation is completed, adjust and check the transmission range switch and A/T position. Refer to
"TRANSMISSION RANGE SWITCH ADJUSTMENT", Adjustments and Testing and Inspection.
- After installation is completed, check continuity of transmission range switch. TR SW, OD SW And Closed Throttle, Wide Open Throttle Position Signal Circuit.

TRANSMISSION RANGE SWITCH ADJUSTMENT

1.Remove air duct (inlet).





2.Set shift selector and manual lever (1) in "N" position.
3.Remove shift selector control cable from manual lever (1). A/T Shift Selector Removal And Installation.
4.Loosen transmission range switch bolts.





5.Insert the pin (3) [4 mm (0.16 in) dia.] straight into manual shaft (1) adjustment hole.
6.Rotate transmission range switch (2) until the pin (3) can also be inserted straight into hole in transmission range switch (2).
7.Tighten transmission range switch bolts to the specified torque.
Refer to "COMPONENTS".
8.Remove the pin (3) from adjustment hole after adjusting transmission range switch (2).
9.Install the shift selector control cable. A/T Shift Selector Removal And Installation.
10.Adjust and check A/T position. Adjustments "Checking of A/T Position".
11.Check continuity of transmission range switch (2). TR SW, OD SW And Closed Throttle, Wide Open Throttle Position Signal Circuit.
12.Install the air duct (inlet).