Operation CHARM: Car repair manuals for everyone.
Manuals through 2025 now available!

Our trusted friends have launched a new website named LEMON, which has newer manuals. It also contains all the CHARM manuals.

LEMON is the spiritual successor to CHARM, I recommend you try it!

Link: lemon-manuals.la or lemon-manuals.org.ua

(Some people have issue connecting. LEMON is investigating. For now, use Firefox or change your DNS server)

Or, hide this message: temporarily or permanently

Component Tests and General Diagnostics




IPDM E/R (INTELLIGENT POWER DISTRIBUTION MODULE ENGINE ROOM)

IPDM E/R Power/Ground Circuit Inspection


1. FUSE AND FUSIBLE LINK INSPECTION

Check that the following fusible links or IPDM E/R fuses are not blown.





OK or NG
OK- GO TO 2.
NG- Replace fuse or fusible link.

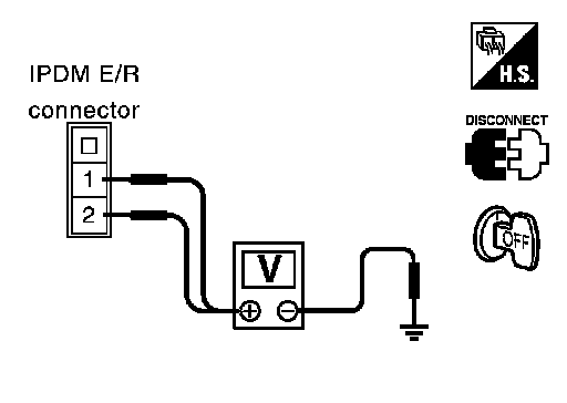
2. POWER CIRCUIT INSPECTION

1.Turn ignition switch OFF.
2.Disconnect IPDM E/R harness connector E42.
3.Check voltage between IPDM E/R harness connector E42 terminals 1, 2 and ground.





Battery voltage should exist.
OK or NG
OK- GO TO 3.
NG- Repair or replace IPDM E/R power circuit harness.

3. GROUND CIRCUIT INSPECTION

1.Disconnect IPDM E/R harness connectors E46 and E48.





2.Check continuity between IPDM E/R harness connector E46 (A)
terminal 39, E48 (B) terminal 59 and ground.
Continuity should exist.
OK or NG
OK- Inspection End.
NG- Repair or replace IPDM E/R ground circuit harness.