Operation CHARM: Car repair manuals for everyone.
Manuals through 2025 now available!

Our trusted friends have launched a new website named LEMON, which has newer manuals. It also contains all the CHARM manuals.

LEMON is the spiritual successor to CHARM, I recommend you try it!

Link: lemon-manuals.la or lemon-manuals.org.ua

(Some people have issue connecting. LEMON is investigating. For now, use Firefox or change your DNS server)

Or, hide this message: temporarily or permanently

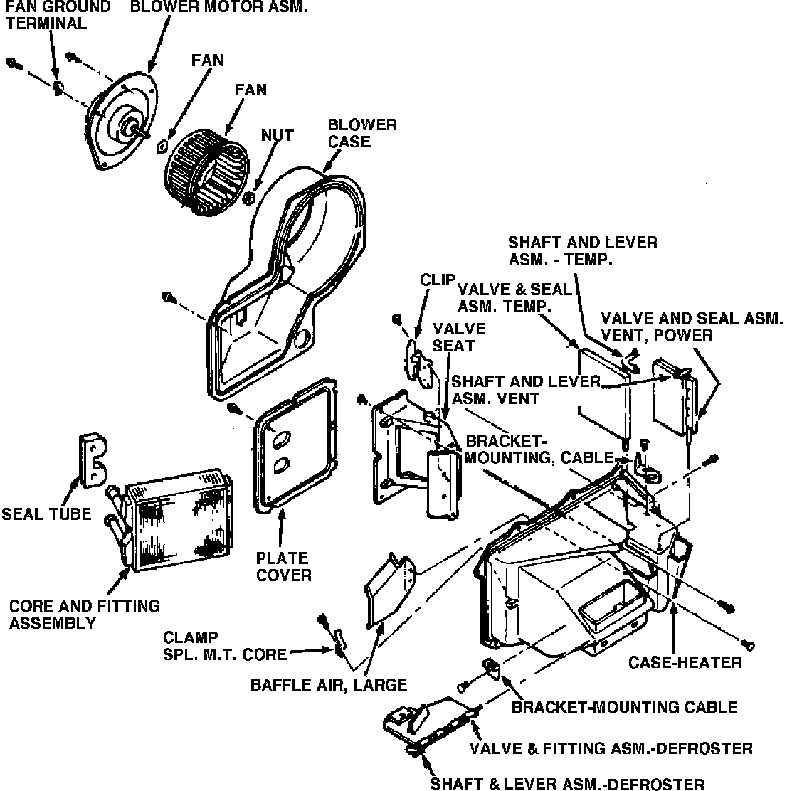
Heater Core: Service and Repair

Fig. 10 Heater core & blower motor, less A/C:





LESS AIR CONDITIONING
1. Disconnect battery ground cable and drain cooling system.
2. Disconnect the heater hoses from heater core.
3. Remove radio noise suppression strap.
4. Remove heater core cover retaining screws and the cover, Fig. 10.
5. Remove heater core from vehicle.
6. Reverse procedure to install.

WITH AIR CONDITIONING
1. Disconnect battery ground cable and drain cooling system.
2. Disconnect heater hoses from heater core.
3. Remove right side hush panel and open the glove box.
4. Remove heater duct retaining screw and the duct.
5. Remove instrument panel support bracket.
6. Remove heater case side cover retainers and the cover.
7. Remove heater core retaining clamps and the inlet and outlet tube support clamps.
8. Remove heater core from case.
9. Reverse procedure to install.