Operation CHARM: Car repair manuals for everyone.
Manuals through 2025 now available!

Our trusted friends have launched a new website named LEMON, which has newer manuals. It also contains all the CHARM manuals.

LEMON is the spiritual successor to CHARM, I recommend you try it!

Link: lemon-manuals.la or lemon-manuals.org.ua

(Some people have issue connecting. LEMON is investigating. For now, use Firefox or change your DNS server)

Or, hide this message: temporarily or permanently

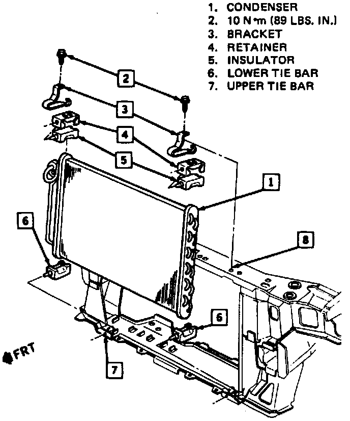
Condenser HVAC: Service and Repair

Condenser:






REMOVE OR DISCONNECT
1. Discharge A/C system.
2. Unclip plastic covers over condenser.
3. Hood latch assembly.
4. Manifold lines at condenser.
5. Front grille molding braces.
6. Headlamp bezel.
7. Front grille and set aside.
8. Condenser hold-downs and disconnect splash shields.
9. Carefully remove condenser.
10. Transfer bracket (if necessary).

INSTALL OR CONNECT
1. Condenser.

NOTE: If there are no signs of excessive leakage, add 29.6 ml (1 fl oz) of compatible refrigerant oil to system.

2. Condenser hold-downs and splash shield.
3. Front grille.
4. Headlamp bezel.
5. Front grille molding braces.
6. Manifold lines.
7. Hood latch.
8. Plastic covers.
9. Evacuate and recharge A/C system with 1.02 kg (2.25 lbs.) of R-12 refrigerant.