Operation CHARM: Car repair manuals for everyone.
Manuals through 2025 now available!

Our trusted friends have launched a new website named LEMON, which has newer manuals. It also contains all the CHARM manuals.

LEMON is the spiritual successor to CHARM, I recommend you try it!

Link: lemon-manuals.la or lemon-manuals.org.ua

(Some people have issue connecting. LEMON is investigating. For now, use Firefox or change your DNS server)

Or, hide this message: temporarily or permanently

Starter Motor: Service and Repair

STARTER REPLACEMENT

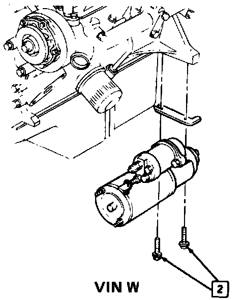
VIN W:






VIN W
TORQUE VALUES
2. 43 N.m (32 LBS. FT.)

Starter Motor:






VIN 3, L
TORQUE VALUES
2. 43 N.m (32 LBS. FT.)

All - Except VIN K

Remove or Disconnect
1. Negative battery lead at the battery
2. Hoist car. See "General Hoisting and Jacking".
3. Starter motor-to-engine bolts, then lower the starter

VIN U, R:






VIN R, U

VIN 1:






VIN 1

On VIN R, U & 1 engines, remove the nuts/bolts that hold the starter bracket to the starter and engine.
4. Leads
5. Starter

Install or Connect
1. Starter
2. Leads to starter
3. Starter to engine bolts

VIN U, R:






VIN R, U
TORQUE VALUES
1. 8N.m(71 LBS. IN.)
2. 43 N.m (32 LBS. FT.)

VIN 1:






VIN 1
TORQUE VALUES
1. 8 N.m(71 LBS. IN.)
2. 43 N.m (32 LBS. FT.)
3. 50 N.m (37 LBS. FT.)

ON VIN R, U & 1 install nuts/bolts that hold the starter bracket to the starter and engine.
4. Lower car.
5. Negative battery cable

VIN K

Remove or Disconnect
1. Negative battery cable.
2. Wiring harness clamp at motor mount.
3. Upper starter to engine block bolt.
4. Raise car, see "General Hoisting and Jacking".
5. Disconnect speedometer cable (Automatic transaxle).
6. Transaxle rear strut (Automatic transaxle).
7. Throttle cable bracket.

VIN K:






VIN K

8. Rear starter brace bolts, and brace.
9. Lower starter to engine block bolt.
10. Starter wiring.
11. Starter - nose down between transaxle and stabilizer shaft. If necessary, pry engine forward or detach stabilizer shaft.

Install or Connect

VIN K:






VIN K
TORQUE VALUES
1. 8N.m(71 LBS. IN.)
2. 43 N.m (32 LBS. FT.)
3. 50 N.m (37 LBS. FT.)

1. Starter and lower starter bolt
2. Starter wiring
3. Rear starter brace bolts, and brace
4. Throttle cable bracket
5. Transaxle rear strut (Automatic transaxle)
6. Connect speedometer cable.
7. Lower car.
8 Upper starter to engine block bolt
9. Wiring harness clamp at motor mount
10. Negative battery cable