Operation CHARM: Car repair manuals for everyone.
Manuals through 2025 now available!

Our trusted friends have launched a new website named LEMON, which has newer manuals. It also contains all the CHARM manuals.

LEMON is the spiritual successor to CHARM, I recommend you try it!

Link: lemon-manuals.la or lemon-manuals.org.ua

(Some people have issue connecting. LEMON is investigating. For now, use Firefox or change your DNS server)

Or, hide this message: temporarily or permanently

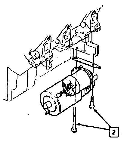
Starter Motor: Service and Repair



STARTER REPLACEMENT






Remove or Disconnect

1. Negative battery lead at the battery
2. Hoist car.
3. Starter motor-to-engine bolts, then lower the starter
4. Leads
5. Starter









Install or Connect

1. Starter
2. Leads to starter
3. Starter to engine bolts
4. Lower car.
5. Negative battery cable

Important: If shims are removed, they must be reinstalled in their original location to assure proper drive pinion-to-flywheel engagement.