Operation CHARM
: Car repair manuals for everyone.
Home
>>
Oldsmobile
>>
1988
>>
Calais FWD L4-138 2.3L DOHC QUAD 4
>>
Repair and Diagnosis
>>
Starting and Charging
>>
Specifications
Manuals through 2025 now available!
Our trusted friends have launched a new website named LEMON, which has newer manuals. It also contains all the CHARM manuals.
LEMON is the spiritual successor to CHARM, I recommend you try it!
Link:
lemon-manuals.la
or
lemon-manuals.org.ua
(Some people have issue connecting. LEMON is investigating. For now, use Firefox or change your DNS server)
Or, hide this message:
temporarily
or
permanently
Starting and Charging: Specifications
BATTERY SPECIFICATIONS
ALTERNATOR
SPECIFICATIONS
I Of II:
II Of II:
ALTERNATOR
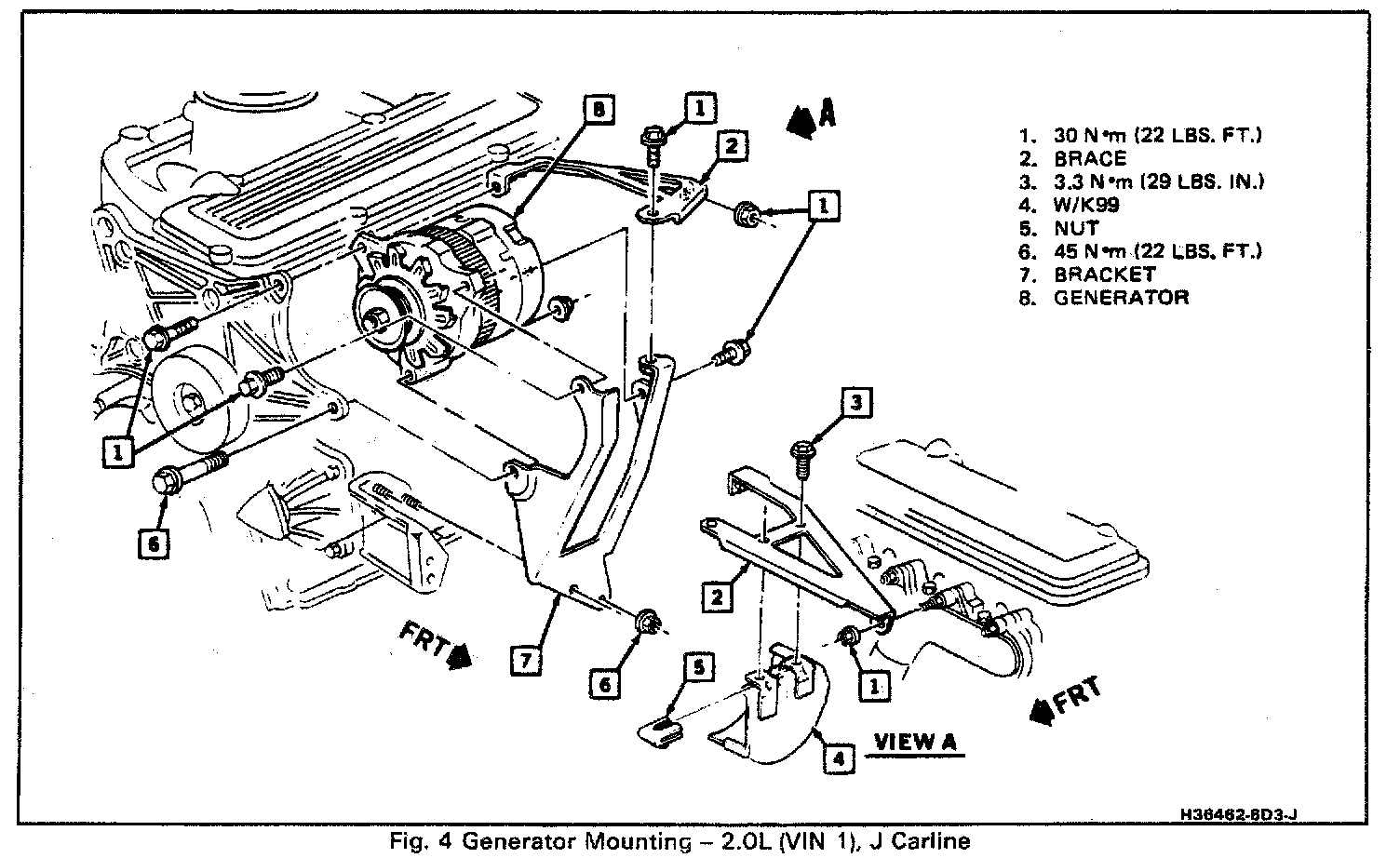
TORQUE SPECIFICATIONS
I Of V:
II Of V:
III Of V:
IV Of V:
V Of V:
STARTER SPECIFICATIONS
STARTER TORQUE SPECIFICATIONS