Operation CHARM: Car repair manuals for everyone.
Manuals through 2025 now available!

Our trusted friends have launched a new website named LEMON, which has newer manuals. It also contains all the CHARM manuals.

LEMON is the spiritual successor to CHARM, I recommend you try it!

Link: lemon-manuals.la or lemon-manuals.org.ua

(Some people have issue connecting. LEMON is investigating. For now, use Firefox or change your DNS server)

Or, hide this message: temporarily or permanently

Electronic/Powertrain Control Module (ECM/PCM)

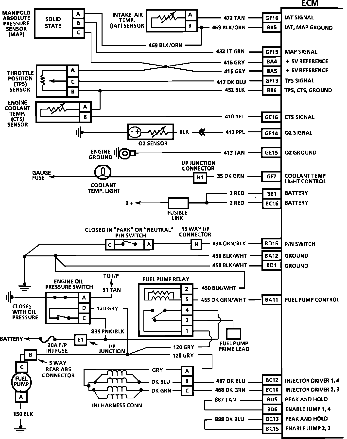
ECM Wiring Diagram Part 1 Of 3:








GF16 = IAT SIGNAL
BB5 = IAT, MAP GROUND

GF15 = MAP SIGNAL
BA4 = 5 VOLT REFERENCE
BA5 = 5 VOLT REFERENCE
GF13 = TPS SIGNAL
BB6 = TPS,CTS,GROUND


GE16 = CTS SIGNAL

GE14 = O2 SIGNAL

GE15 = 02 GROUND

GF7 = COOLANT TEMP.LIGHT CONTROL

BB1 = BATTERY
BC16 = BATTERY


BD16 = P/N SWITCH
BA12 = GROUND
BD1 = GROUND

BA11 = FUEL PUMP CONTROL

BC12 = INJECTOR DRIVER 1,4
BC10 = INJECTOR DRIVER 2,3
BD5 = PEAK & HOLD
BD6 = ENABLE JUMPER 1,4
BC13 = PEAK & HOLD
BC15 = ENABLE JUMPER 2,3



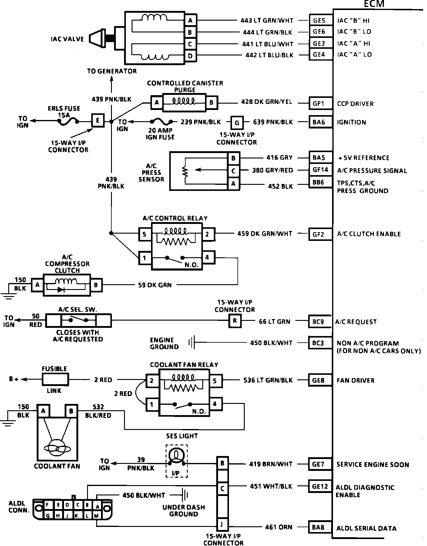
ECM Wiring Diagram (2 Of 3):








GE5 = IAC "B" HIGH
GE6 = IAC "B" LOW
GE3 = IAC "A" HIGH
GE4 = IAC "A" LOW

GF1 = CONTROLLED CANISTER PURGE DRIVER

BA6 = IGNITION

BA5 = 5 VOLT REFERENCE
GF14 = A/C PRESSURE SIGNAL
BB6 = TPS,CTS,A/C PRESS. GROUND

GF2 = A/C CLUTCH ENABLE

BC9 = A/C REQUEST

BC3 = NON A/C PROGRAM (FOR NON A/C ONLY)

GE8 = FAN DRIVER


GE7 = SERVICE ENGINE SOON LIGHT

GE12 = ALDL DIAGNOSTIC ENABLE

BA8 = ALDL SERIAL DATA




ECM Wiring Diagram (3 Of 3):






BB10 = VSS "HIGH"

BB9 = VSS "LOW"

BB11 = 4000 P/MI SPEEDO/ODO

BD9 = IGN. REF LO
BD8 = 2X REF
BC5 = 1X REF

BC8 = EST
BC7 = BYPASS

GF9 = KNOCK SIGNAL

BD15 = 3rd GEAR SWITCH (LD2 ONLY)
BD4 = 2nd GEAR SWITCH (LD2 ONLY)
GF4 = UPSHIFT LIGHT (MAN)
GF4 = TORQUE CONV. (AUTO)