Ignition Module Operation
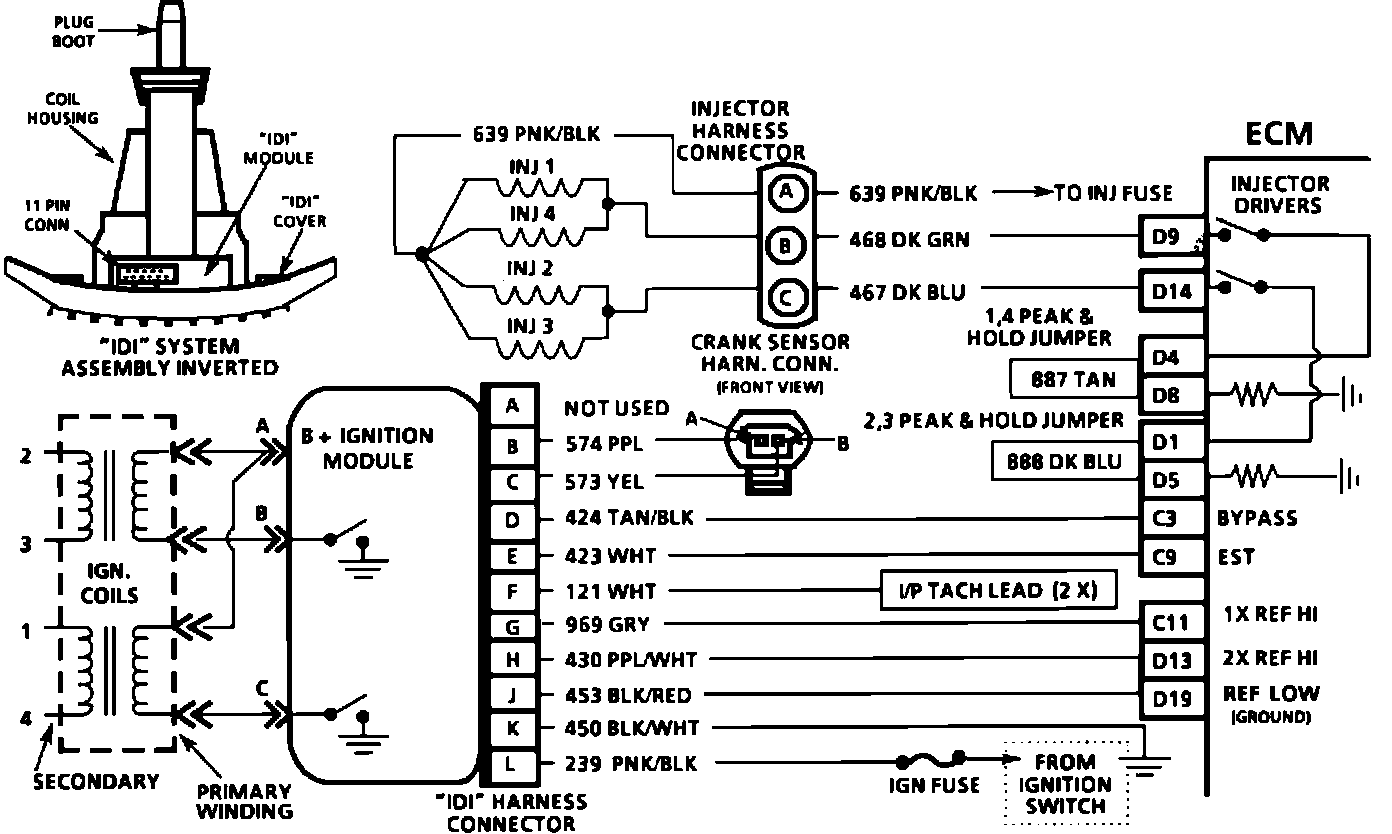
IDIS Ignition Coil And Module Assembly:
Ignition Circuit:
NOTE: Because different models and engine applications vary in wire colors, circuit numbers, and pin numbers, the above image is a typical example. Refer to COMPUTERS AND CONTROL SYSTEMS/SCHEMATIC AND ROUTING DIAGRAMS for specific schematic applications.
PURPOSE
The Integrated Direct Ignition (IDI) module monitors the crank sensor signals and based on these signals sends a reference signal to the ECM so that correct spark and fuel injector control can be maintained during all driving conditions.
OPERATION
During cranking, the IDI module monitors the "sync pulse" to begin the ignition firing sequence and below 700 rpm the module controls spark advance by triggering each of the two coils at a pre-determined interval based on engine speed only. Above 700 rpm the ECM controls the spark timing (EST) and compensates for all driving conditions. The IDI module must receive a "sync pulse" and then a crank signal in that order to enable the engine to start. The IDI module is not repairable. When a IDI module is defective, the module is replaced as a separate component.
LOCATION
IDI Assembly.