Operation CHARM: Car repair manuals for everyone.
Manuals through 2025 now available!

Our trusted friends have launched a new website named LEMON, which has newer manuals. It also contains all the CHARM manuals.

LEMON is the spiritual successor to CHARM, I recommend you try it!

Link: lemon-manuals.la or lemon-manuals.org.ua

(Some people have issue connecting. LEMON is investigating. For now, use Firefox or change your DNS server)

Or, hide this message: temporarily or permanently

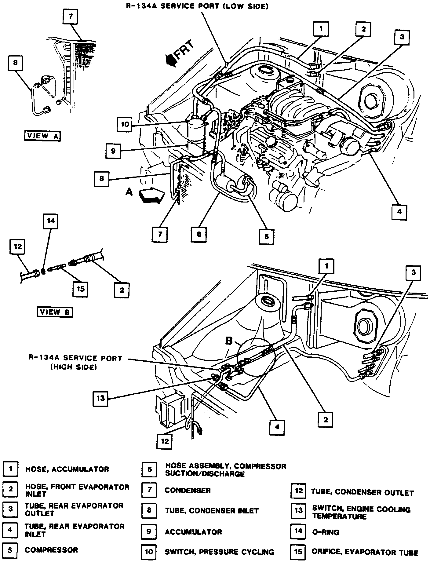
Expansion Block/Orifice Tube: Service and Repair

A/C System Components:





Remove or Disconnect
1. Battery negative cable.

2. Discharge and recover refrigerant from A/C system.

3. Nut retaining clamp for condenser outlet tube.

4. Fitting at front evaporator inlet hose/condenser outlet tube junction.

5. Evaporator tube orifice (expansion tube) from front evaporator inlet hose using J 26549-E.

Important
1. If difficulty is encountered during the removal of a restricted or plugged evaporator tube orifice, the following procedure is recommended:

2. Remove as much of any impacted residue as possible.

3. Carefully apply heat with heat gun or equivalent approximately 6.35 mm (0.25 in.) from dimples on inlet pipe. Do not over-heat pipe.

Note: If the system has a pressure switch near the orifice tube location, it should be removed prior to heating the pipe to avoid damage to switch.

Important
^ Keep Polyalkylene Glycol (PAG) Synthetic Refrigerant Oil off fitting threads. Long term contract of oil on threads may cause future disassembly difficulties.

^ Flush threads of fittings with 525 viscosity mineral refrigerant oil. DO NOT use PAG oil.

^ DO NOT wipe threads with a cloth.

^ Install new O-rings that have been lubricated with 525 viscosity mineral refrigerant oil. DO NOT use PAG oil.

Install or Connect
1. Evaporator tube orifice with shorter end inserted first.

2. New lubricated O-ring onto tube end.

3. Evaporator hose/condenser tube fitting per specification.

4. Clamp nut.

5. Battery negative cable.

6. Evacuate, charge and leak test A/C system.