Electronic/Powertrain Control Module (ECM/PCM)
ECM Wiring - "N" - 2.3(A,D,3) (1 of 4):
BD6 = DIAGNOSTIC TEST
PA2 = ECM GROUND
PA1 = ECM GROUND
PB6 = O2 REFERENCE LOW
BD12 = SERIAL DATA
PA12 = O2 SIGNAL
PA5 = KEEP ALIVE MEMORY (B+)
PC9 = IAT SIGNAL
PB1 = SENSOR GROUND
PD4 = MAP SIGNAL
PA4 = 5 VOLT REFERENCE
PA3 = 5 VOLT REFERENCE
PB7 = TP SIGNAL
PB2 = SENSOR GROUND
PD3 = A/C PRESSURE SENSOR SIGNAL
PC10 = ECT SIGNAL
BC13 = KNOCK SIGNAL
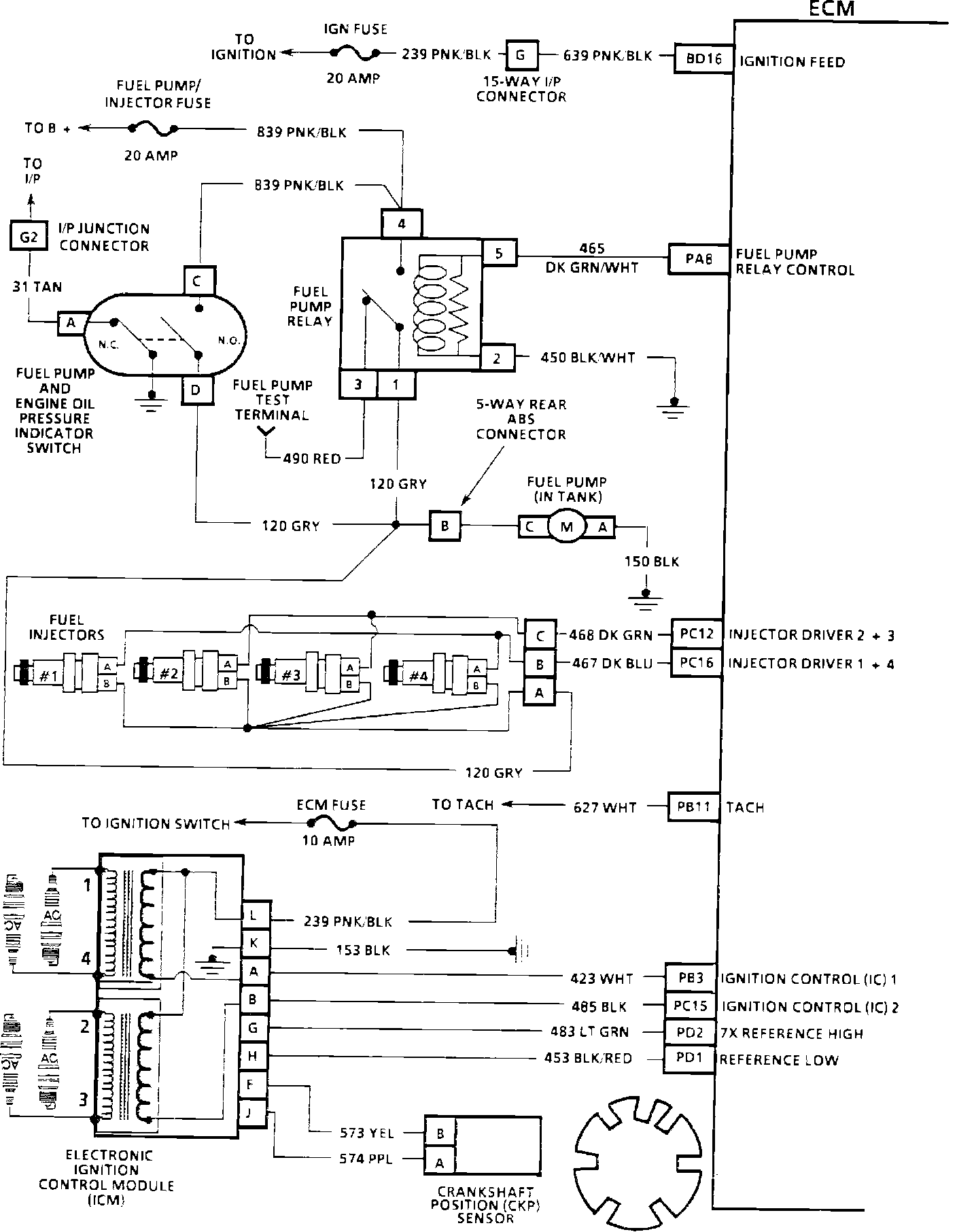
ECM Wiring - "N" - 2.3(A,D,3) (2 of 4):
BD16 = IGNITION FEED
PA8 = FUEL PUMP RELAY CONTROL
PC12 = INJECTOR DRIVER 2 + 3
PC16 = INJECTOR DRIVER 1 + 4
PB12 = TACH
PB3 = IGNITION CONTROL (IC) 1
PC15 = IGNITION CONTROL (IC) 2
PD2 = 7X REFERENCE HIGH
PD1 = REFERENCE LOW
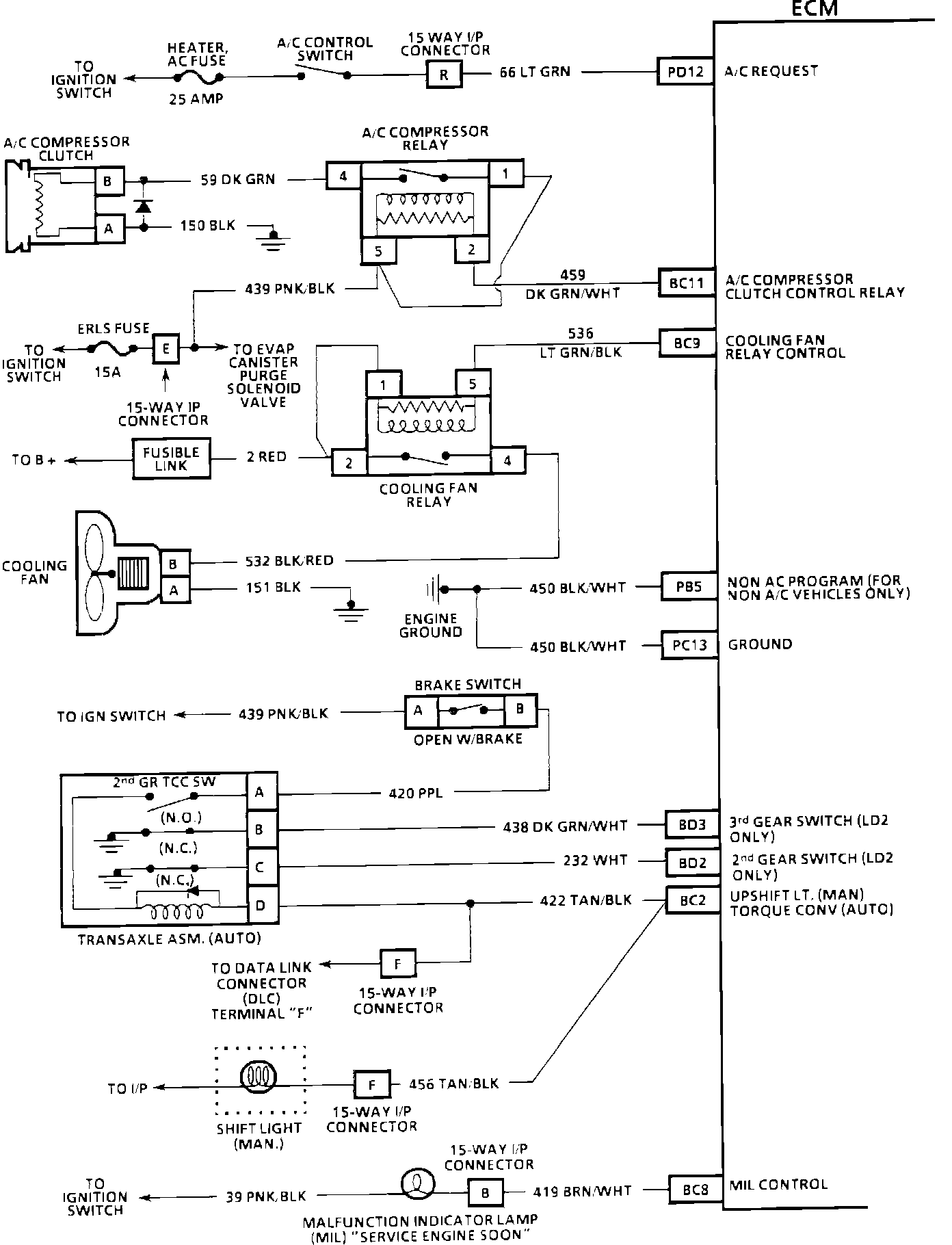
ECM Wiring - "N" - 2.3(A,D,3) (3 of 4):
PD12 = A/C REQUEST
BC11 = A/C CLUTCH CONTROL RELAY
BC9 = COOLING FAN RELAY CONTROL
PB5 = NON AC PROGRAM (FOR NON A/C VEHICLES ONLY)
PC13 = GROUND
BD3 = 3rd GEAR SWITCH (LD2 ONLY)
BD2 = 2nd GEAR SWITCH (LD2 ONLY)
BC2 = UPSHIFT LIGHT (MAN)
BC2 = TORQUE CONV. (AUTO)
BC8 = MIL CONTROL
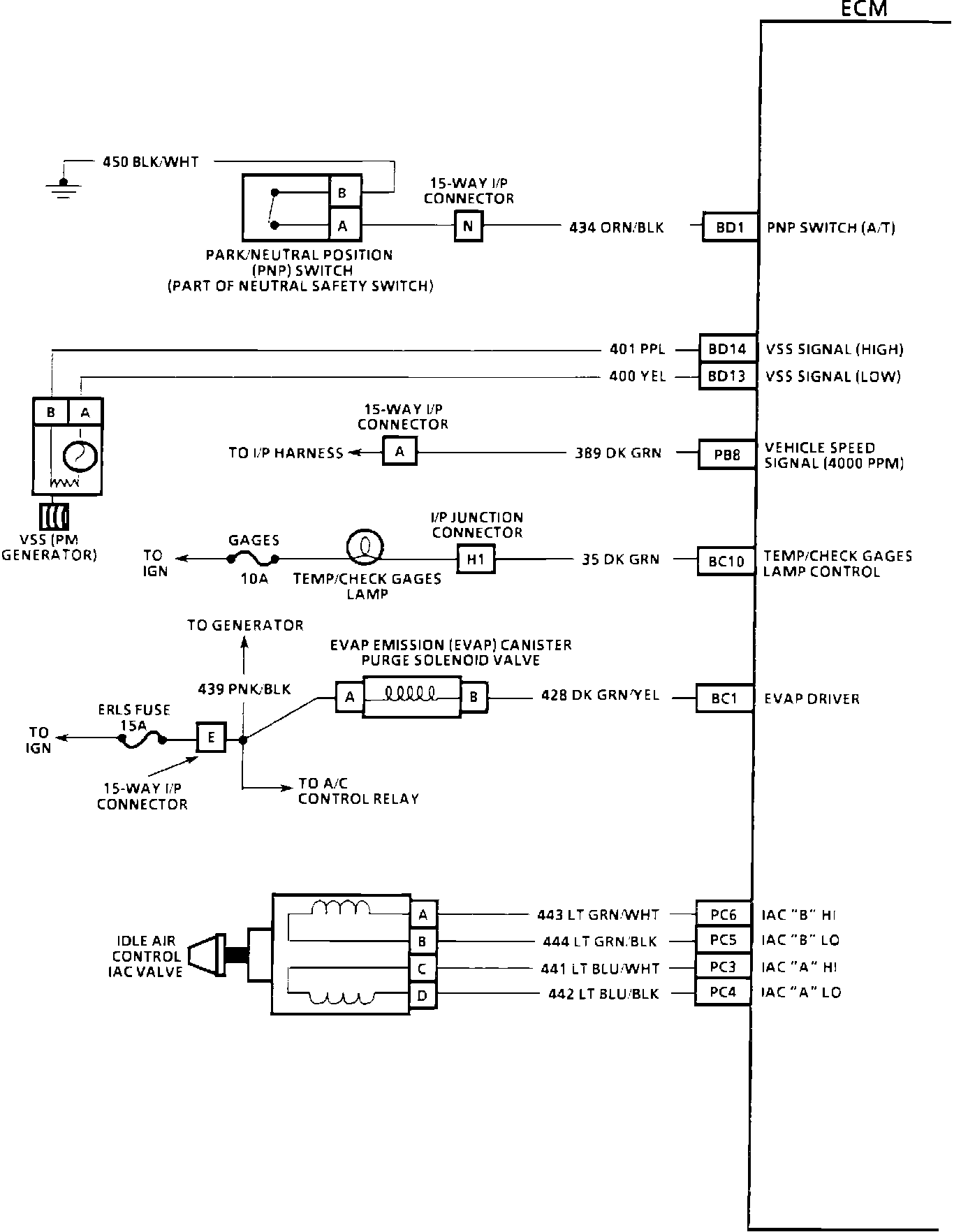
ECM Wiring - "N" - 2.3(A,D,3) (4 of 4):
BD1 = PNP SWITCH (AT)
BD14 = VSS "HIGH"
BD13 = VSS "LOW"
PB8 = VEHICLE SPEED SIGNAL (4000 PPM)
BC10 = TEMP/CHECK GAGES LAMP CONTROL
BC1 = EVAP DRIVER
PC6 = IAC "B" HIGH
PC5 = IAC "B" LOW
PC3 = IAC "A" HIGH
PC4 = IAC "A" LOW