Operation CHARM: Car repair manuals for everyone.
Manuals through 2025 now available!

Our trusted friends have launched a new website named LEMON, which has newer manuals. It also contains all the CHARM manuals.

LEMON is the spiritual successor to CHARM, I recommend you try it!

Link: lemon-manuals.la or lemon-manuals.org.ua

(Some people have issue connecting. LEMON is investigating. For now, use Firefox or change your DNS server)

Or, hide this message: temporarily or permanently

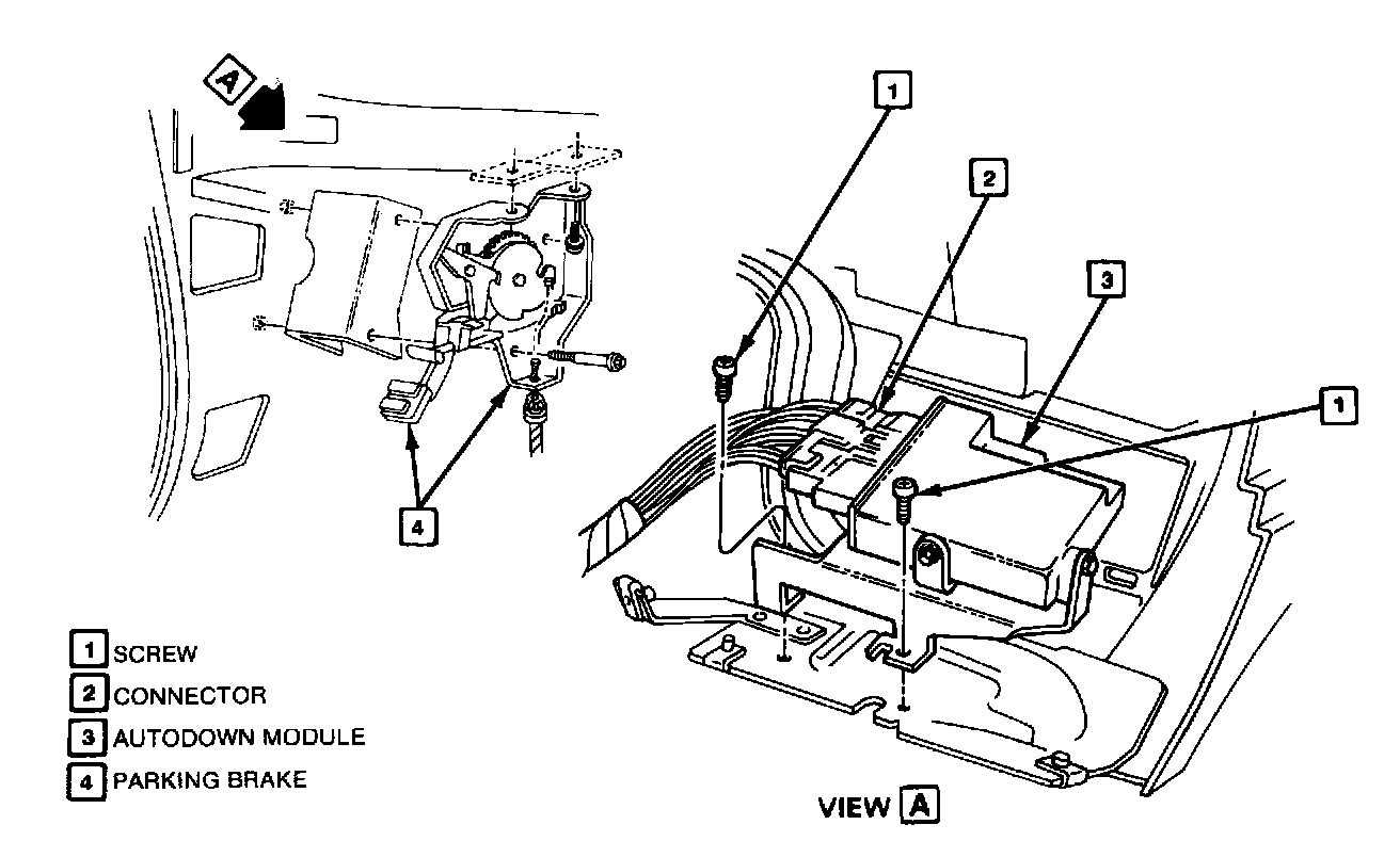
Autodown Module

CONVERTIBLE






Remove or Disconnect

1. Parking brake lever assembly with switch and release handle.
2. Screws and autodown module from under instrument panel.
3. Electrical connector from autodown module.

Install or Connect

1. Electrical connector to autodown module.
2. Module to instrument panel using screws.
3. Parking brake lever assembly, switch, and release handle.