Operation CHARM: Car repair manuals for everyone.
Manuals through 2025 now available!

Our trusted friends have launched a new website named LEMON, which has newer manuals. It also contains all the CHARM manuals.

LEMON is the spiritual successor to CHARM, I recommend you try it!

Link: lemon-manuals.la or lemon-manuals.org.ua

(Some people have issue connecting. LEMON is investigating. For now, use Firefox or change your DNS server)

Or, hide this message: temporarily or permanently

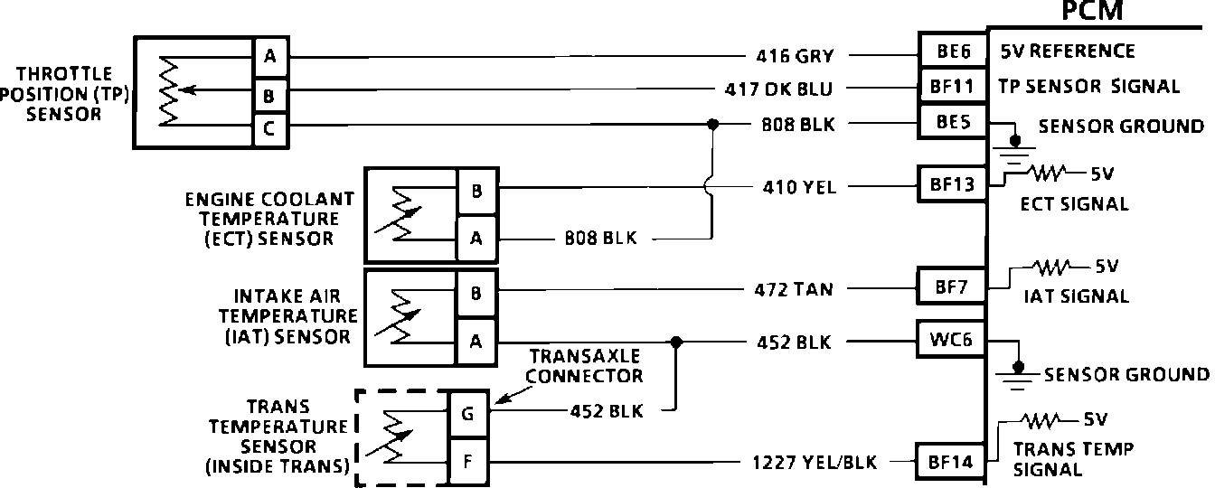
Coolant Temperature Sensor/Switch (For Computer): Description and Operation

Engine Coolant Temperature (ECT) Sensor Circuit:





Purpose:
The coolant temperature sensor provides the PCM with information regarding coolant temperature.

Operation:
The computer sends a 5.0 volt signal to the coolant temperature sensor through a resistor in the PCM and measures the voltage. The voltage will be high or low depending on coolant temperature. By varying the voltage, the computer will sense engine coolant temperature.

Location:
The engine coolant temperature sensor is a thermistor that is located in the engine coolant flow.