Operation CHARM: Car repair manuals for everyone.
Manuals through 2025 now available!

Our trusted friends have launched a new website named LEMON, which has newer manuals. It also contains all the CHARM manuals.

LEMON is the spiritual successor to CHARM, I recommend you try it!

Link: lemon-manuals.la or lemon-manuals.org.ua

(Some people have issue connecting. LEMON is investigating. For now, use Firefox or change your DNS server)

Or, hide this message: temporarily or permanently

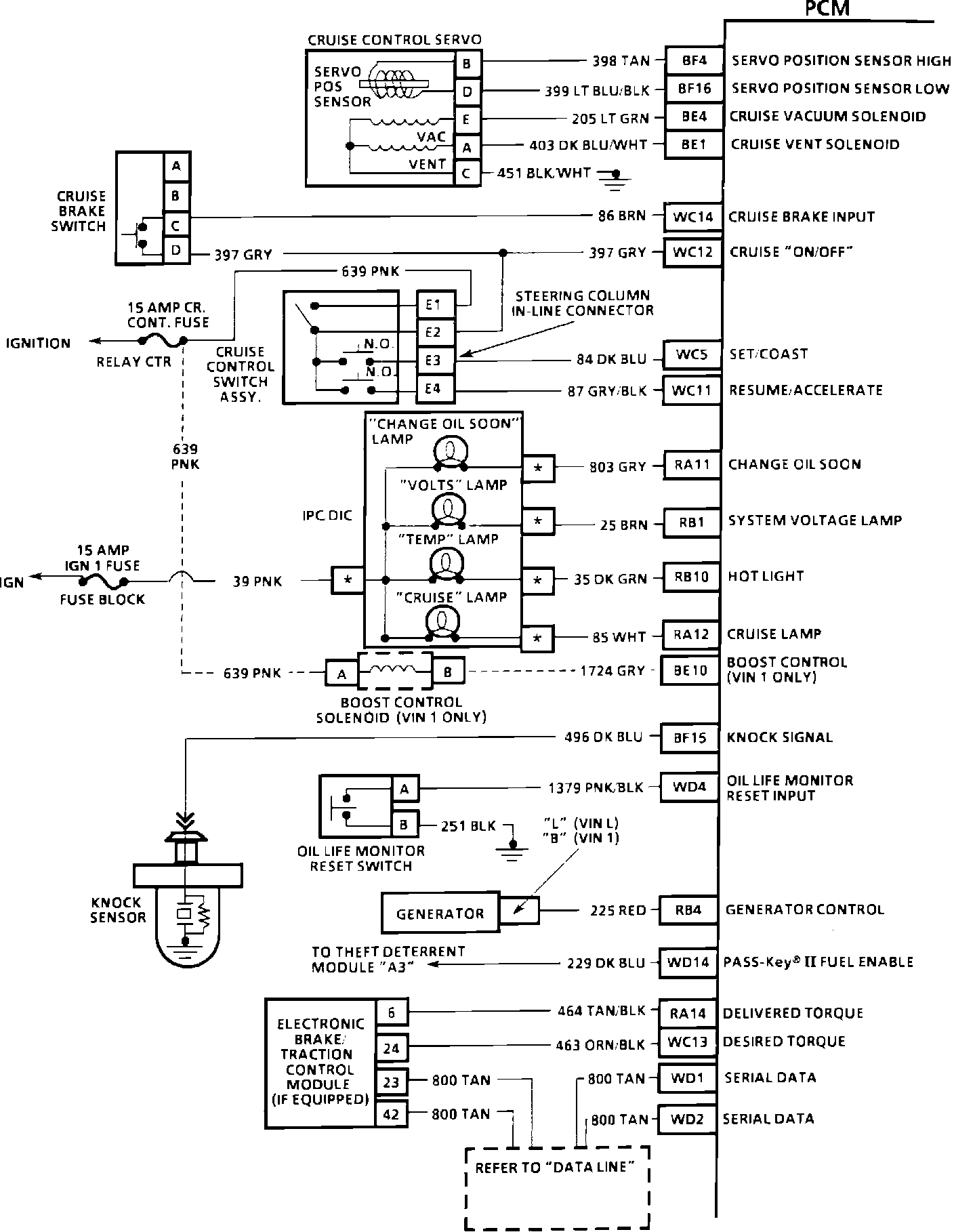
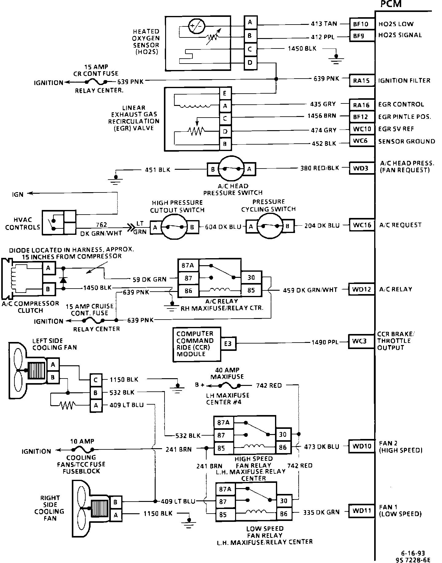
Electronic/Powertrain Control Module (ECM/PCM)

PCM Wiring Diagram:






RA8 INJECTOR #1
RA2 INJECTOR #2
RA1 INJECTOR #3
RA10 INJECTOR #4
RA9 INJECTOR #5
RA7 INJECTOR #6
WC7 BATTERY FEED
WC8 BATTERY FEED
RB14 INJECTOR GROUND
RB12 INJECTOR GROUND
RB13 PCM GROUND
RB11 PCM GROUND
BE9 EVAP CANISTER PURGE
WC9 IGNITION FEED
RB5 MAF SIGNAL
RA6 IAC "B" HIGH
RA5 IAC "B" LOW
RA3 IAC "A" HIGH
RA4 IAC "A" LOW
RB16 IGNITION CONTROL (IC)
RB15 BYPASS
RB6 SPARK REFERENCE
RB8 FUEL CONTROL
RB7 REFERENCE LOW
RB9 CAM SIGNAL




PCM Wiring Diagram:






BF10 HO2S LOW
BF9 HO2S SIGNAL
RA15 IGNITION FILTER
RA16 EGR CONTROL
BF12 EGR PINTLE POSITION
WC10 EGR 5V REFERENCE
WC6 SENSOR GROUND
WD3 A/C HEAD PRESSURE (FAN REQUEST)
WC16 A/C REQUEST
WD12 A/C RELAY
WC3 CCR BRAKE/THROTTLE OUTPUT
WD10 FAN2 (HIGH SPEED)
WD11 FAN1 (LOW SPEED)



PCM Wiring Diagram:






BF13 ECT SENSOR SIGNAL
BE5 SENSOR GROUND
BF11 TP SENSOR SIGNAL
BE6 +5V REFERENCE
BF7 IAT SENSOR SIGNAL
WC6 SENSOR GROUND
WD7 SHIFT SELECT
RA13 TCC PWM SOLENOID
BE14 SHIFT A SOLENOID
BE15 SHIFT B SOLENOID
BE12 TCC APPLY
BF14 TRANS TEMP INPUT
BF3 TCC BRAKE SWITCH
WD2 SERIAL DATA
WD1 SERIAL DATA
WD13 MIL
WD15 4 K/M SPEED
RB3 VSS HIGH
RB2 VSS LOW
BE8 PRNDL A
BE7 PRNDL B
BE2 PRNDL C
BE3 PRNDL P
WD16 FUEL PUMP RELAY



PCM Wiring Diagram:






BF4 SERVO POSITION SENSOR HIGH
BF16 SERVO POSITION SENSOR LOW
BE4 CRUISE VACUUM SOLENOID
BE1 CRUISE VENT SOLENOID
WC14 CRUISE BRAKE INPUT
WC12 CRUISE "ON/OFF"
WC5 SET/COAST
WC11 RESUME/ACCELERATE
RA11 CHANGE OIL SOON
RB1 SYSTEM VOLTAGE LAMP
RB10 HOT LIGHT
RA12 CRUISE LAMP
BE10 BOOST CONTROL (VIN 1 ONLY)
BF15 KNOCK SIGNAL
WD4 OIL LIFE MONITOR RESET INPUT
RB4 GENERATOR CONTROL
WD14 PASS-KEY II FUEL ENABLE
RA14 DELIVERED TORQUE
WC13 DESIRED TORQUE
WD1 SERIAL DATA
WD2 SERIAL DATA