Operation CHARM: Car repair manuals for everyone.
Manuals through 2025 now available!

Our trusted friends have launched a new website named LEMON, which has newer manuals. It also contains all the CHARM manuals.

LEMON is the spiritual successor to CHARM, I recommend you try it!

Link: lemon-manuals.la or lemon-manuals.org.ua

(Some people have issue connecting. LEMON is investigating. For now, use Firefox or change your DNS server)

Or, hide this message: temporarily or permanently

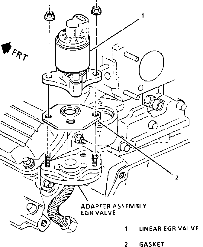
EGR Valve: Service and Repair

Linear EGR Valve:





Remove or Disconnect:
1. Disconnect electrical connector at solenoid
2. Remove base to flange bolts and linear EGR valve assembly


Install or Connect:
1. Install EGR valve assembly, tighten bolts
Torque Value: 30 N-m (22 lb.ft.)
2. Connect electrical connector