Operation CHARM: Car repair manuals for everyone.
Manuals through 2025 now available!

Our trusted friends have launched a new website named LEMON, which has newer manuals. It also contains all the CHARM manuals.

LEMON is the spiritual successor to CHARM, I recommend you try it!

Link: lemon-manuals.la or lemon-manuals.org.ua

(Some people have issue connecting. LEMON is investigating. For now, use Firefox or change your DNS server)

Or, hide this message: temporarily or permanently

Images

Case & Drive Link, 4T60E, 4T65E:



Parking Lock Components, 4T60E, 4T65E:



Channel Plate, A/T, 4T60E, 4T65E:



Case Cover, THM-125 (3T40):



Internal Components - 4T60E, 4T60E, 4T65E:



Internal Components, THM-125 (3T40):



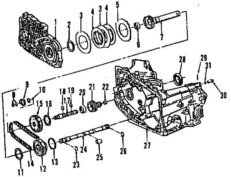
Case With Drive Link & Sprocket, THM-125 (3T40):



Pump & Control Valve, THM-125 (3T40):



Case & Related Parts, THM-125 (3T40):



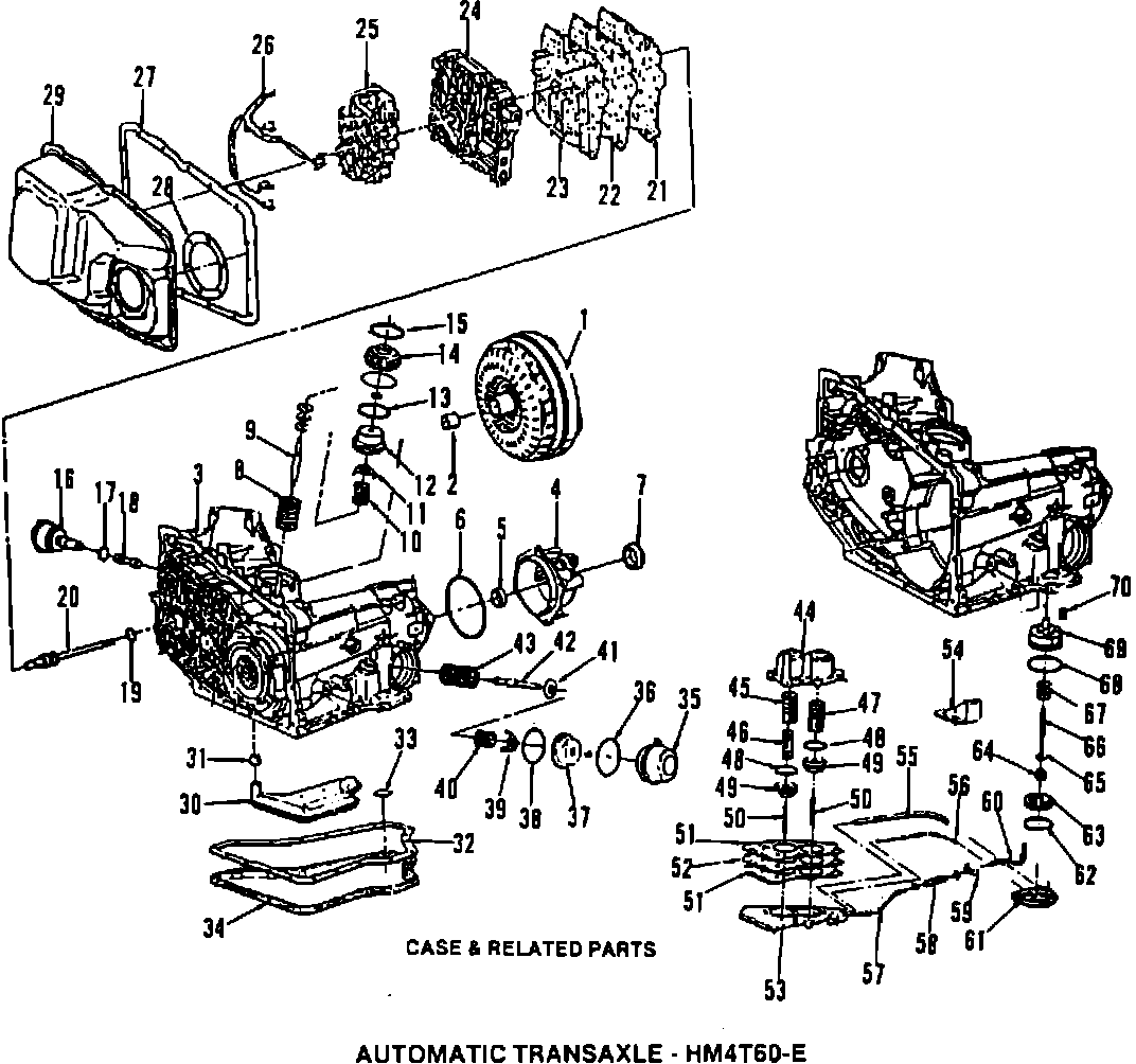
Case & Related Parts, 4T60E, 4T65E: