Operation CHARM: Car repair manuals for everyone.
Manuals through 2025 now available!

Our trusted friends have launched a new website named LEMON, which has newer manuals. It also contains all the CHARM manuals.

LEMON is the spiritual successor to CHARM, I recommend you try it!

Link: lemon-manuals.la or lemon-manuals.org.ua

(Some people have issue connecting. LEMON is investigating. For now, use Firefox or change your DNS server)

Or, hide this message: temporarily or permanently

Engine: Service and Repair


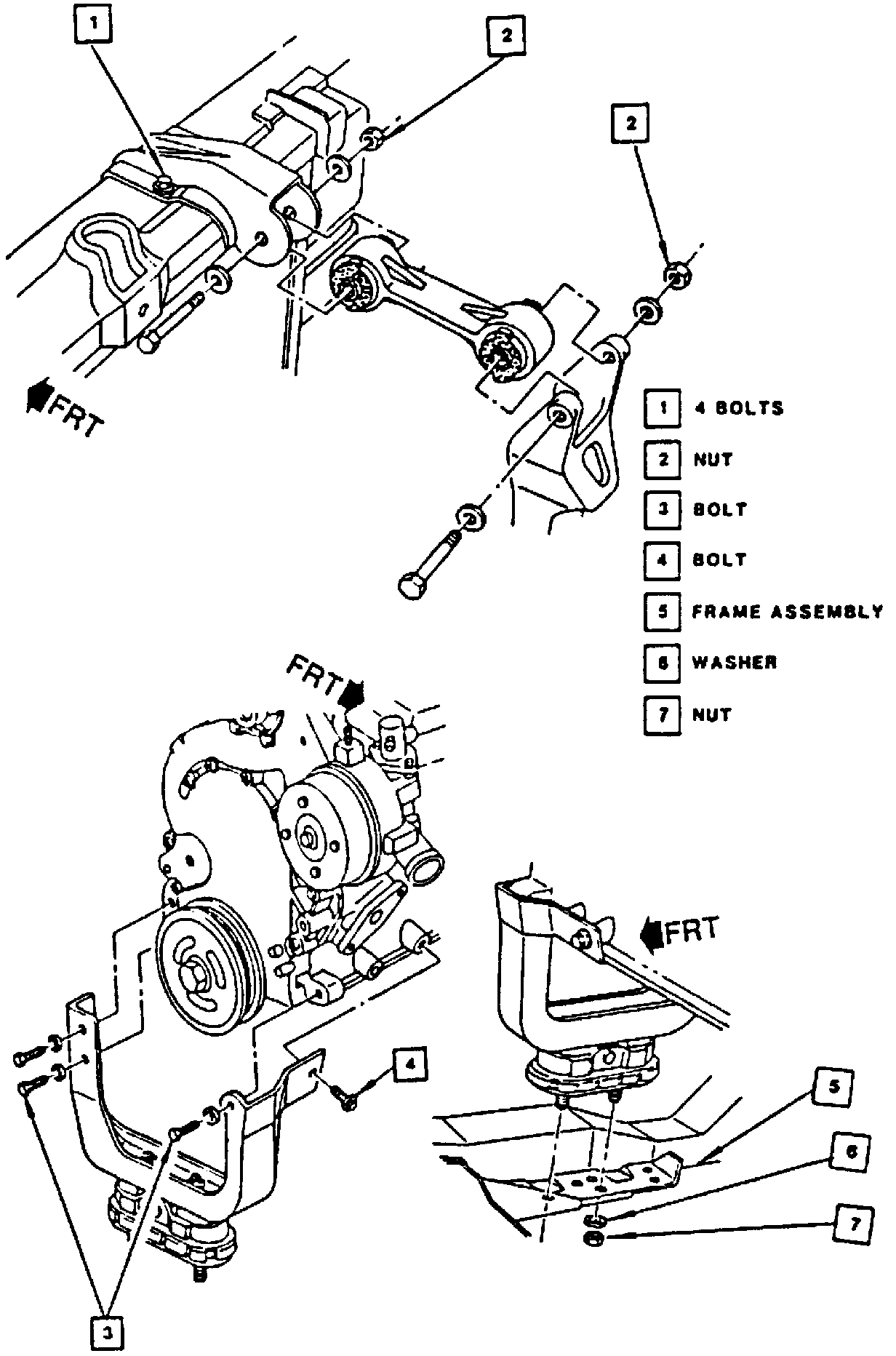
Fig. 1 Engine Mounts & Strut Assembly Replacement:




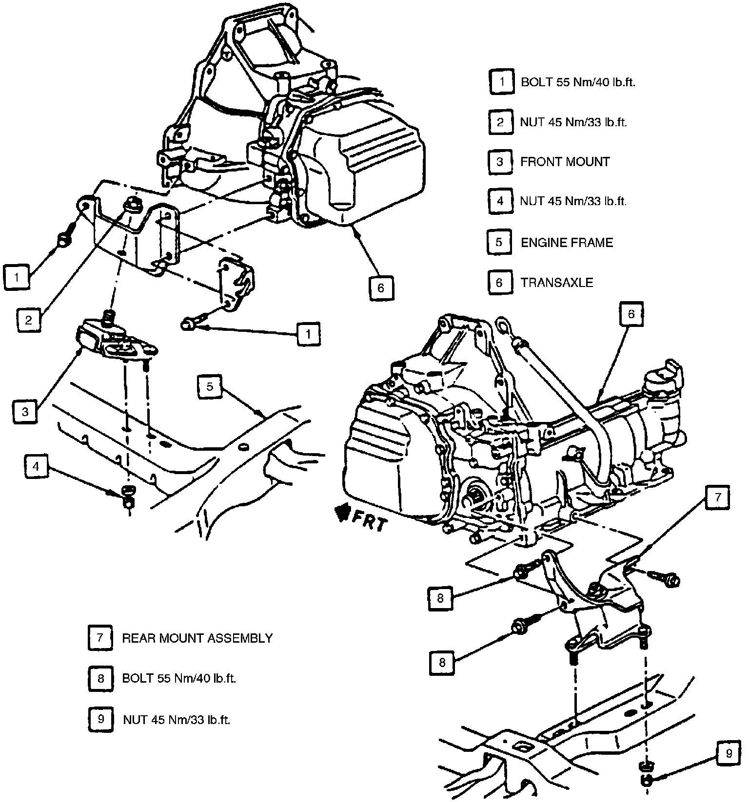
Fig. 2 Transaxle Mount Replacement:






1. Relieve fuel system pressure.
2. Disconnect battery ground cable.
3. Drain coolant, then remove radiator and heater hoses.
4. Remove air flow tube from air cleaner, then remove radiator core support.
5. Disconnect engine control module (ECM) harness at ECM and push harness through cowl into engine compartment.
6. Disconnect engine harness from block connector, located at left hood hinge.
7. Disconnect all necessary engine to chassis harness connectors, then disconnect throttle and TV cables.
8. Loosen fuel filler cap to relieve fuel system pressure before removing fuel line. Place a shop rag over the fuel line fittings before disconnecting fittings, to prevent any fuel spray, then remove fuel lines.
9. Remove transmission shift linkage, then transmission lines at radiator.
10. Remove A/C compressor, leave bracket attached to compressor and hang away from engine.
11. Remove upper engine strut, then raise vehicle and remove front wheels.
12. Remove stabilizer bar, then tie rod ends at steering knuckle.
13. Remove lower control arm ball joints from steering knuckles.
14. Remove drive axles from transaxle and secure to chassis with wire.
15. Remove intermediate steering shaft pinch bolt.
16. Remove starter, flywheel cover and torque converter bolts.
17. Disconnect exhaust pipe at rear manifold.
18. Support engine with suitable jack.
19. Remove engine/transaxle to frame bolts, then lower the engine/transaxle assembly and separate engine from transaxle, Figs. 1 and 2.
20. Reverse procedure to install.