Operation CHARM: Car repair manuals for everyone.
Manuals through 2025 now available!

Our trusted friends have launched a new website named LEMON, which has newer manuals. It also contains all the CHARM manuals.

LEMON is the spiritual successor to CHARM, I recommend you try it!

Link: lemon-manuals.la or lemon-manuals.org.ua

(Some people have issue connecting. LEMON is investigating. For now, use Firefox or change your DNS server)

Or, hide this message: temporarily or permanently

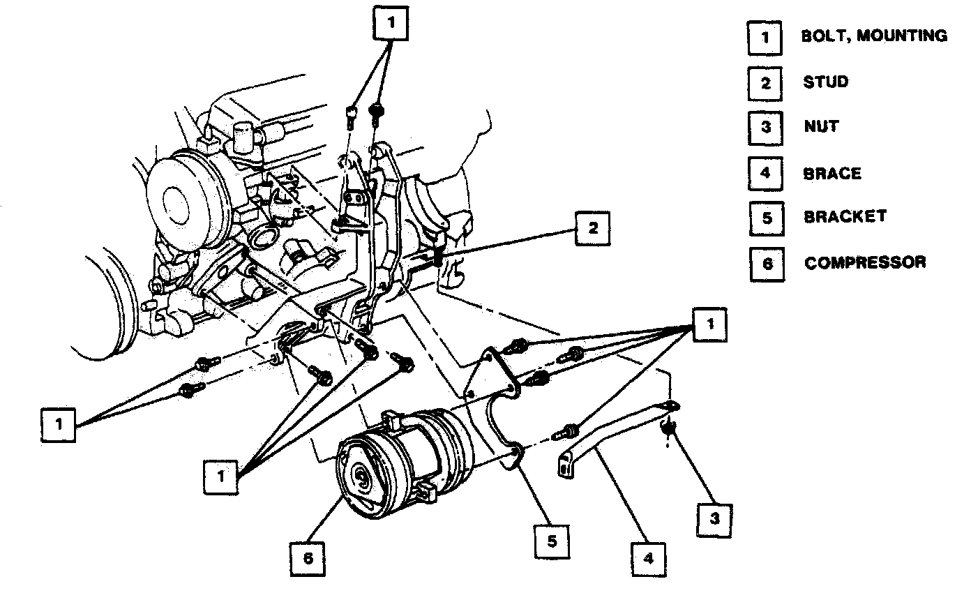
Compressor and/or Brace

A/C Compressor:






Remove or Disconnect

^ Recover refrigerant.
1. Battery negative (-) cable.
2. Electrical connectors from A/C compressor.
3. Serpentine drive belt from A/C compressor pulley by releasing belt tension at tension.
^ Raise and suitably support vehicle.
4. RH front tire and wheel assembly.
5. RH front wheel splash shield.
6. Block fitting bolt and A/C compressor and condenser hose assembly from A/C compressor.
^ Discard seal.
7. Bolts from front engine bracket securing A/C compressor.
8. Bolts from rear engine bracket securing A/C compressor.
9. Engine block stud nut securing A/C compressor brace.
10. Rear A/C compressor mounting brace bolts, brace and A/C compressor.

Install or Connect

1. Rear A/C compressor mounting brace with bolts and A/C compressor.

Tighten
^ A/C compressor mounting brace bolts to 31 N.m (23 lb.ft.).

2. A/C compressor brace with engine block Stud nut.

Tighten
^ A/C compressor brace engine block stud nut to 31 N.m (23 lb.ft.).

3. Front A/C compressor engine bracket with bolts.

Tighten
^ Front A/C compressor engine bracket bolts to 31 N.m (23 lb.ft.).

^ Lightly coat A/C compressor and condenser hose assembly seal with mineral base 525 viscosity refrigerant oil.
4. Seal to A/C compressor and condenser hose assembly.
5. A/C compressor and condenser hose assembly to A/C compressor and secure with block fitting bolt.

Tighten
^ A/C compressor and condenser hose assembly-to-A/C compressor block fitting bolt to 33 N.m (24 lb.ft.).

6. RH front wheel splash shield.
7. RH front tire and wheel assembly.
^ Lower vehicle.
8. Serpentine drive belt onto A/C compressor pulley.
9. Electrical connectors to A/C compressor.
10. Battery negative (-) cable.

Tighten
^ Battery negative (-) cable to 15 N.m (11 lb.ft.).

^ Evacuate and charge A/C system.
^ Leak-test fittings.