Operation CHARM: Car repair manuals for everyone.
Manuals through 2025 now available!

Our trusted friends have launched a new website named LEMON, which has newer manuals. It also contains all the CHARM manuals.

LEMON is the spiritual successor to CHARM, I recommend you try it!

Link: lemon-manuals.la or lemon-manuals.org.ua

(Some people have issue connecting. LEMON is investigating. For now, use Firefox or change your DNS server)

Or, hide this message: temporarily or permanently

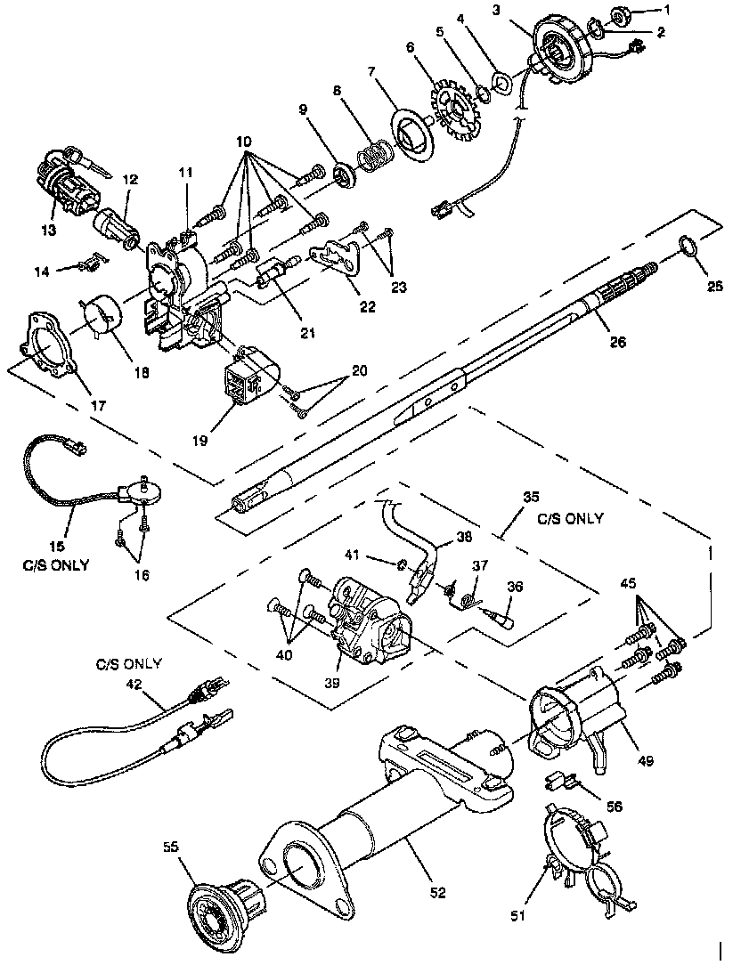
Standard Column

Exploded View Of Standard Steering Column:






1- NUT, HEX LOCKING (M14x1.5)
2- RING, RETAINING
3- COIL ASM, SIR
4- WASHER, WAVE
5- RING, RETAINING
6- LOCK, SHAFT
7- CAM ASM, T/SIG CANCEL
8- SPRING, UPPER BEARING
9- SPACER, UPPER BEARING
10- SCREW, ADAPTER
11- HOUSING ASM, STRG COLUMN
12- ACTUATOR ASM, IGNITION LOCK
13- LOCK CYL SET, STRG COLUMN
14- SPRING, LOCK PRE-LOAD
15- SOLENOID ASM, INTERLOCK
16- SCREW, TAPPING
17- PLATE, MOUNTING
18- RETAINER, BEARING
19- SWITCH ASM, IGNITION
20- SCREW, TAPPING
21- BOLT ASM, LOCK
22- BRACKET, LOCK BOLT SUPPORT
23- SCREW, TAPPING
25- RING, RETAINING
26- SHAFT ASM, STEERING
35- SHIFT ASM, LINEAR
36- PIN, SHIFT LEVER
37- SPRING, SHIFT LEVER
38- LEVER ASM, LINEAR SHIFT
39- ADAPTER, LINEAR SHIFT BASE (NS)
40- SCREW, FLAT HD TAPPING
41- CLIP, SHIFT LEVER
42- CABLE ASM1 PARK LOCK
45- SCREW, SUPPORT
49- ADAPTER, SUPPORT MOUNTING
51- STRAP, WIRE
52- JACKET ASM, STRG CCL
53- BRACKET, CABLE SUPPORT
54- BOLT, FLNG HEX HD (M8X1 .25)
55- BUSHING ASM, COLUMN JACKET
56- CLIP, WIRE RESTRAINT

SERVICE KITS
201- GREASE SERV KIT, (SYNTHETIC)