Operation CHARM: Car repair manuals for everyone.
Manuals through 2025 now available!

Our trusted friends have launched a new website named LEMON, which has newer manuals. It also contains all the CHARM manuals.

LEMON is the spiritual successor to CHARM, I recommend you try it!

Link: lemon-manuals.la or lemon-manuals.org.ua

(Some people have issue connecting. LEMON is investigating. For now, use Firefox or change your DNS server)

Or, hide this message: temporarily or permanently

Engine Assembly





1. Crankshaft Bearings, and Bearing Cap Installation
a. Install the crankshaft bearing into the engine block and the crankshaft bearing caps.
b. Coat the crankshaft bearings with clean engine oil.
c. Install the crankshaft.
d. Install the crankshaft bearing caps with crankshaft bearings.
e. Be sure that the cap directional arrows point toward the front of the engine block and the cap is in its original position.
f. Install the crankshaft bearing cap bolts and studs.
g. Thrust the crankshaft reward in order to set and align the thrust bearings and the bearing caps.
h. Thrust the crankshaft forward in order to align the rear faces of the rear crankshaft bearings.
^ Tighten all of the bolts to 105 Nm (77 ft. lbs.).





i. Use a dial indicator or feeler gauge in order to measure end play between the front of the rear of the crankshaft bearing cap and the crankshaft thrust surface in order to determine the crankshaft end play.
If you use a feeler gauge, measure between the thrust surface of the crankshaft bearing and the crankshaft.





2. Crankshaft Rear Oil Seal and Housing
^ Tools Required
- J 35621 Crankshaft Rear Oil Seal Installer, Or Equivalent

NOTE: Always use a new crankshaft rear oil seal and new crankshaft rear oil seal housing gasket when you install, the crankshaft rear oil seal housing.

a. Install the new gasket and the crankshaft rear oil housing on to the studs.





b. Install the rear oil seal housing nuts and bolts.
^ Tighten the crankshaft rear oil seal housing nuts and bolts to 15 Nm (11 ft. lbs.).
c. Coat the new oil seal entirely with clean engine
d. Install the seat onto the crankshaft rear oil seal installer.
e. Install them crankshaft rear oil seal installer onto the rear of the crankshaft.
^ Tighten the screws snugly in order to ensure that the seal will be installed squarely over the crankshaft.
f. Install the crankshaft rear oil seal to the crankshaft and the crankshaft rear oil seal housing. Tighten the wing nut on the crankshaft rear oil seal installer until the oil seal bottoms.
g. Remove the crankshaft rear oil seal installer from the crankshaft rear oil seal housing.





3. Piston, Connecting Rod, and Bearing
^ Tools Required
- J 5239 Guide Set
- J 8037 Piston Ring Compressor
- J 36660 Torque Angle Meter
- Or Equivalents

a. Coat the following components with clean engine oil
^ The piston
^ The piston rings
^ The cylinder bore
^ The bearing surfaces
b. Install the piston with the stamped arrow facing forward.
c. Install the piston assembly into its matched bore.
When assembled, the flanges on the connecting rod and cap should face to the front in the left bank and to the rear in the right bank.





d. Use the piston ring compressor and the guide set and to lightly tap the top of the piston with a wooden hammer handle.
^ Hold the piston ring compressor firmly against the engine block until all of the piston rings enter the cylinder bore.
^ Use the guide set in order to guide the connecting rod onto the crankshaft journal.
e. Remove the
f. Install the connecting rod cap and nuts.
^ Tighten in two passes.
- On the first pass, tighten the nuts evenly to 27 Nm (20 ft. lbs.).
- On the final pass, use the torque angle meter in order to tighten the nuts an additional 70°.
g. When all of the connecting rod bearings are installed, tap each connecting rod assembly lightly parallel to the crankpin in order to make sure that they have clearance.





h. Use a feeler gauge or a dial indicator in order to measure the side clearance between the connecting rod caps. The rod side clearance should be 0.16-0.43 mm (0.006-017 inch).





4. Camshaft Installation
a. Install the three 5/16 13 x 4.0 inch bolts into the camshaft front bolt holes.

NOTE: Use care when you install the camshaft. All bearings are of equal diameter.

b. Install the camshaft.
c. Remove the three bolts from the front of the camshaft.
^ Install the camshaft retainer.
^ Tighten the camshaft retainer bolts to 12 Nm (106 inch lbs.).
5. Balance Shaft Installation
^ Tools Required
- J 38834 Balance Shaft Bearing Service Kit
- J 36996 Balance Shaft Installer
- J 8092 Universal Driver Handle
- J 36660 Torque/Angle Meter
- Or Equivalent

a. Dip the bearing into clean oil before installation.





b. Use the balance shaft bearing service kit in order to install the balance shaft rear bearing.





c. Use the balance shaft installer and the universal driver handle in order to install the balance shaft.





d. Install the balance shaft retainer.
^ Tighten the bolts to 12 Nm (106 inch lbs.).





e. Install the balance shaft driven gear.
^ Tighten in two passes.
- On the first pass tighten the bolts to 20 Nm (15 ft. lbs.).
- On the second pass use the torque/angle meter in order to tighten the nuts an additional 35°.
f. Rotate the balance shaft by hand in order to ensure that there is clearance between the balance shaft and the lifter retainer.





g. Rotate the balance shaft key by hand in order to ensure that there is clearance between the balance shaft and the retainer. If the balance shaft does not rotate freely, ensure that the retaining ring on the front bearing is seated on the case.
h. Install the balance shaft drive gear but do not install the camshaft bolts at this time.





i. Rotate the camshaft so that the timing mark on the balance shaft drive gear is straight up.





j. Remove the drive gear. Turn the balance shaft so that the timing mark on the driven gear points down.





k. Position the drive gear onto the camshaft.
^ Ensure that the timing marks align.
^ The number four cylinder will be at the top dead center of its compression stroke when installing the distributor, position the rotor so that it faces the number four terminal.





l. Install the timing chain and the camshaft sprocket.
6. Timing Chain and Sprockets Installation
^ Tools Required
- J 5590 Crankshaft Sprocket Installer, Or Equivalent
a. Install the key into the crankshaft keyway.





b. Use the crankshaft sprocket installer in order to install the crankshaft sprocket.





c. Install the camshaft sprocket and timing chain. The gears must mesh in order to prevent damage to the camshaft retainer.





d. Install camshaft sprocket bolts. Be sure to align the camshaft and the crankshaft sprocket alignment marks.
^ Tighten the camshaft sprocket bolts to 25 Nm (18 ft. lbs.).





NOTE: Align the keyway on the reluctor ring with the key in the crankshaft and install the reluctor ring onto the crankshaft until the ring is completely seated against the crankshaft sprocket.

e. Install the crankshaft position sensor reluctor ring.
7. Engine Front Cover Installation

NOTE: Once the composite engine front cover is removed do not reinstall the cover. Always install a new engine front cover.





a. Install the engine front cover.
b. Install the engine front cover bolts.
^ Tighten the bolts to 12 Nm (106 inch lbs.).





c. Install engine crankshaft position sensor.
d. Install crankshaft position sensor bolt.
e. Tighten the bolt to 9 Nm (80 inch lbs.).
8. Oil Pump Installation
a. Assemble the oil pump, driveshaft, and retainer.





b. Install the oil pump.
c. Align the slot in the end of the drive shaft with the drive tang on the oil pump shaft.





d. Install the bolt attaching the oil pump to the rear crankshaft bearing cap.
e. Install the oil pump bolt.
^ Tighten the oil pump bolt to 90 Nm (66 ft. lbs.).
9. Oil Pan Installation

NOTE: Apply the sealer, GM P/N 12346192 or equivalent 25 mm (1.0 inch) in either direction of the radius cavity of the junctions.





a. Apply a small amount of sealer, GM P/N 12346192 or equivalent, 10 mm (0.393 inch) wide and 20 mm (0.787 inch) long to the engine front cover to engine block junction.





b. Apply a small amount of sealer, GM P/N 12346192 or equivalent, 25 mm (1.00 inch) long to the crankshaft rear oil seal housing to engine block junction.





NOTE: Always install a new oil pan gasket.

c. Install the oil pan gasket.
d. Install the oil pan against to engine block.
e. Slide oil pan back against straight edge using J 34673 or equivalent.





NOTE: Use a feeler gauge to check the clearance between the three oil pan to transmission bell housing contact points. If clearance exceeds 0.254 mm (0.010 inch) at any of the three points repeat steps until the clearance is within specification.

f. Install oil pan bolts and nuts. Do not tighten.

CAUTION: If the clearance is more than 0.254 mm(0.010 inch), powertrain durability may be impacted.





g. Install the bolts and nut using the sequence shown.
1) Tighten the bolts to 25 Nm (18 ft. lbs.).
2) Tighten the nuts to 25 Nm (18 ft. lbs.).
h. Measure the clearance again between the three oil pan to transmission bell housing contact points to verify proper alignment.
i. Install the oil filter gasket.
j. Oil filter adapter O-ring seal, if equipped.
k. Oil filter adapter bolts.
^ Tighten the bolts to 20 Nm (15 ft. lbs.).
l. Inspect oil filter adapter bypass valve and spring for operation and cracks bypass valve looks damaged in any way replace the oil filter adapter assembly.
m. Lubricate new oil filter seal with clean engine oil.
n. Install a new oil filter.





10. Oil Filter Adapter and Valve Assembly
a. Install new adapter seal.





b. Install the oil filter adapter.





c. Install the bolts.
^ Tighten the bolts to 20 Nm (15 ft. lbs.).
11. Cylinder Head Installation
^ Tools Required
- J 36660 Torque Angle Meter, Or Equivalent





a. Install the new cylinder head gasket.
b. Install the gasket over the locating pins, with the yellow side of the tab on the outboard side facing up.
c. Install the cylinder head over the locating pins and the gasket.





d. Install the cylinder head bolts finger tight.
^ Tighten the cylinder head bolts in sequence on the first pass to 30 Nm (22 ft. lbs.).





e. Use the torque angle meter in order to tighten the cylinder head bolts on the final pass.
^ Tighten the short bolts (11, 7, 3, 2, 6, 10,) 55°.
^ Tighten the medium bolts (12,13) 65°.
^ Tighten the long bolts (1, 4, 3, 5, 9 ) 75 °.
f. Install the spark plugs.
^ Tighten the spark plugs to 20 Nm (15 ft. lbs.).
12. Valve Lifter Installation
a. Coat the valve lifter rollers with prelude, GM P/N 1052365 or equivalent.
b. If reusing the valve lifters, install in their original location.





c. Install the valve lifters.





d. Install the valve lifter guides.
e. Install the valve lifter guide retainer.
f. Install the valve lifter guide retainer bolts.
^ Tighten the valve lifter guide retainer bolts to 16 Nm (12 ft. lbs.).
13. Valve Rocker Arm and Push Rod Installation
a. Apply sealer GM P/N 12345493 or equivalent to the threads of the new valve rocker arm ball stud.

NOTE: Be sure to keep parts in order. Parts must be put back from where they were removed.





b. Install the valve rocker arm ball stud.
^ Tighten the valve rocker arm ball stud to 47 Nm (35 ft. lbs.).
c. Coat the valve rocker arm and valve rocker arm ball bearing surfaces with prelube GM P/N 1052365 or equivalent.





d. Install the valve pushrods. Be sure that the valve pushrods seat in the valve lifter sockets.





e. Install the following parts
^ The valve rocker arms
^ The valve rocker arm balls

NOTE: No valve lash adjustment is needed.

^ The valve rocker arm nuts.
- Tighten valve rocker arm nuts to 25 Nm (18 ft. lbs.).

14. Valve Rocker Arm Cover Installation





a. Install the rocker arm cover and a new gasket.





b. Install new grommets into each valve cover through hole.
^ Install the rocker arm bolts.
^ Tighten the bolts to 12 Nm (106 inch lbs.).





15. Intake Manifold Installation (Upper)
a. Install a new upper intake manifold gasket.





b. Install the upper intake manifold. Do not pinch, the injector wires between the upper and lower intake manifolds

NOTE: Install two stud bolts through the upper intake manifold diagonally opposite from each other to aid in positioning upper intake manifold to the lower intake manifold.

c. Install the remaining intake manifold bolts and studs.





d. Tighten the upper intake manifold bolts in two steps.
1) Tighten the bolts to 5 Nm (44 inch lbs.).
2) Final tighten the bolts to 10 Nm (89 inch lbs.).





e. Install the PCV pipe.





f. Install the vacuum hoses.





g. Install ignition coil.
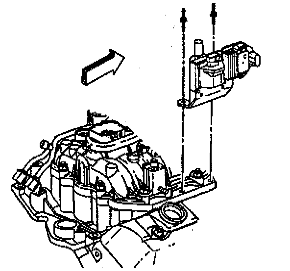
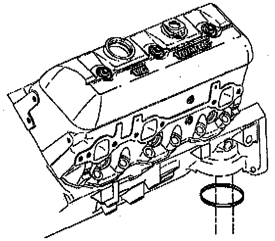
16. Intake Manifold Installation (Lower)

NOTE: Do not reuse intake manifold gaskets. Always install new gaskets.
a. Apply sealant to the intake manifold gasket, cylinder head side.





b. Install the gaskets onto the cylinder head.





CAUTION: Care must be used to apply the correct amount of sealant onto the gaskets. Applying excessive amounts of sealant may prohibit the intake gaskets from sealing properly.

c. Apply a 5 mm (0.197 inch) bead of the RTV (GM P/N 12346192 or equivalent) to the front of the engine block sealant areas. Extend the RTV bead 13 mm (0.499 inch) up the cylinder head in order to seal and retain the gaskets.





d. Apply a 5 mm (0.197 inch) bead of the RTV (GM P/N 12346192 or equivalent) to the back of the engine block sealant areas. Extend the RTV bead 13 mm (0.499 inch) up the cylinder head in order to seal and retain the gaskets.





e. Install the lower intake manifold to the engine. Apply sealer GM P/N 12345382 or the equivalent) to the lower intake manifold bolts.
f. Install the lower intake manifold bolts.





g. Use the tightening sequence shown in order to tighten the bolts in three steps.
1) Tighten the bolts in the first pass to 3 Nm (27 inch lbs.).
2) Tighten the bolts in the second pass to 12 Nm (106 inch lbs.).
3) Tighten the bolts in the final pass to 15 Nm (11 ft. lbs.).
h. Install oxygen sensor wire support bracket and nut.
^ Tighten nut to 11 Nm (97 inch lbs.).
i. Install EGR inlet tube, clamp, and bolt.
^ Tighten bolt to 25 Nm (18 ft. lbs.).
j. Install canister purge system tubing.
k. Install PCV valve and hose.
17. Distributor Installation





NOTE: Rotate the Engine, until number one piston is at top dead center (the intake and exhaust valves closed). The notch in the crankshaft balancer must be lined up with the engine front cover timing tab notch.
a. Install the distributor.
^ If the distributor is difficult to seat, check the alignment of the distributor driveshaft with the oil pump driveshaft extension slot.
b. Install the distributor clamp bolt.
^ Tighten the distributor clamp bolt to 25 Nm (18 ft. lbs.).





18. Crankshaft Balancer Installation
^ Tools Required
- J 23523-F Crankshaft Balancer Hub Remover and Installer, Or Equivalent

CAUTION: Failure to properly align the crankshaft position sensor reluctor ring may result in component damage and effect OBD II system performance.

a. Use the following procedure in order to install the crankshaft balancer hub
1) Set the number 1 piston to the top dead center.
2) While viewing from the front of the crankshaft, check the reluctor ring and verify that the keyway of the ring is properly orientated with the key of the crankshaft and that the ring is completely seated against the crankshaft sprocket.
3) Install the crankshaft balancer hub with the cast arrow on the hub in the 12 o'clock position.
b. Use the crankshaft balancer hub installer in order to install the crankshaft balancer hub until the hub, completely seats against the crankshaft position sensor reluctor ring.
c. Install the crankshaft balancer hub bolt and washer.
^ Tighten the crankshaft balancer hub bolt to 100 Nm (74 ft. lbs.).
c. Install the crankshaft balancer.





19. Water Pump Installation
a. Position the water pump and gaskets to the engine block.
b. Install the water pump bolts.
^ Tighten the water pump bolts to 45 Nm (33 ft. lbs.).





20. Exhaust Manifold Installation
a. Install the new exhaust manifold gaskets.
b. Install the exhaust manifold.





c. Install the heat shields.
d. Install the exhaust manifold bolts.
^ Tighten the center exhaust bolts to 15 Nm (11 ft. lbs.).
^ Tighten the front and rear exhaust bolts to 30 Nm (22 ft. lbs.).





21 Oil Level Indicator and Tube Installation
a. Apply a sealer GM P/N 12345493 or equivalent around the oil level indicator tube 13 mm (0.5 inch) below the bead.
b. Install the oil level indicator tube into the Engine block. Rotate the tube into position.
c. Install the oil level indicator tube bolt to the right cylinder head.
^ Tighten the oil level indicator tube bolt to 12 Nm (106 inch lbs.).
d. Install the oil level indicator into the tube.





22. Engine Flywheel Installation
a. Install the engine flywheel to crankshaft.
b. Align the locator hole to the pin.
c. Install the engine flywheel bolts.
^ Tighten the engine flywheel bolts to 100 Nm (74 ft. lbs.).

NOTE: After overhaul, the engine should be tested before installation in the vehicle. If a suitable test stand is not available, refer to "Engine Set Up & Testing" to be performed after the engine is installed in the vehicle.