Operation CHARM: Car repair manuals for everyone.
Manuals through 2025 now available!

Our trusted friends have launched a new website named LEMON, which has newer manuals. It also contains all the CHARM manuals.

LEMON is the spiritual successor to CHARM, I recommend you try it!

Link: lemon-manuals.la or lemon-manuals.org.ua

(Some people have issue connecting. LEMON is investigating. For now, use Firefox or change your DNS server)

Or, hide this message: temporarily or permanently

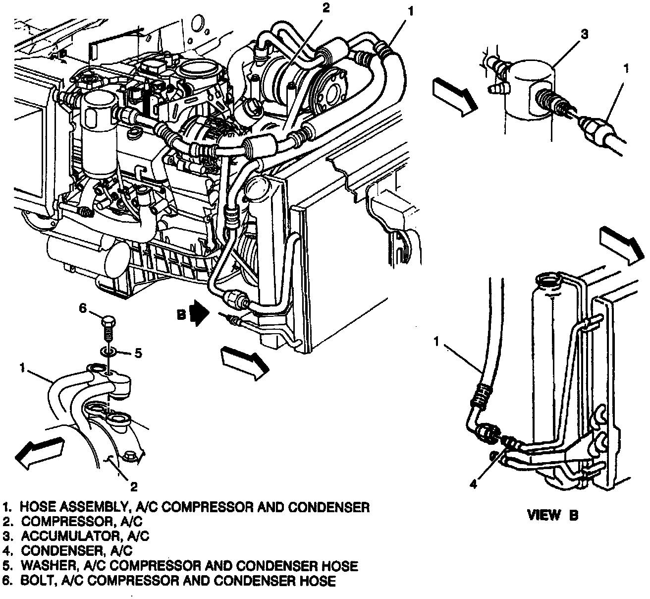
Compressor and Condenser Hose Assembly Replacement

Compressor And Condenser Hose Routing Figure 42:




Hose At Compressor Figure 44:




Attach Hose At Accumulator-Figure 46:




Attach Hose At Condenser-Figure 48:







REMOVE OR DISCONNECT (Figure 42)
1. Negative battery cable.
2. Recover refrigerant from the system.
3. Compressor and condenser hose bolt and washer (figure 44).
4. Compressor and condenser hose from compressor.
5. Sealing washers.
6. Compressor and condenser hose from accumulator (figure 46).
7. O-ring seal.
8. Compressor and condenser hose from condenser (figure 48).
9. O-ring seal.
^ Cap or plug all open connections.

INSTALL OR CONNECT (Figure 42)

NOTICE: For steps 2, 4, and 7, refer to "Fasteners" under "Vehicle Damage Warnings."

1. New O-ring seal.
^ Coat O-ring seal with 525 viscosity refrigerant oil.
2. Compressor and condenser hose to condenser (figure 48).
^ Tighten hose to 24 Nm (18 lbs. ft.).
3. New O-ring seal.
^ Coat O-ring seal with 525 viscosity refrigerant oil.
4. Compressor and condenser hose to accumulator (figure 46).
^ Tighten hose to 41 Nm (30 lbs. ft.).
5. Sealing washers.
6. Compressor and condenser hose to compressor (figure 44).
7. Compressor and condenser hose washer and bolt.
^ Tighten bolt to 33 Nm (24 lbs. ft.).
8. Negative battery cable.
9. Refrigerant to the system.
^ Check the system for leaks.