Operation CHARM: Car repair manuals for everyone.
Manuals through 2025 now available!

Our trusted friends have launched a new website named LEMON, which has newer manuals. It also contains all the CHARM manuals.

LEMON is the spiritual successor to CHARM, I recommend you try it!

Link: lemon-manuals.la or lemon-manuals.org.ua

(Some people have issue connecting. LEMON is investigating. For now, use Firefox or change your DNS server)

Or, hide this message: temporarily or permanently

Cruise Control Servo Cable: Service and Repair

Cruise Control Routing:




Cruise Control Routing:




Cruise Control Cable To Throttle Bracket:




Cruise Control Cable To Throttle Bracket:




Cruise Control Cable Locking And Adjustment:




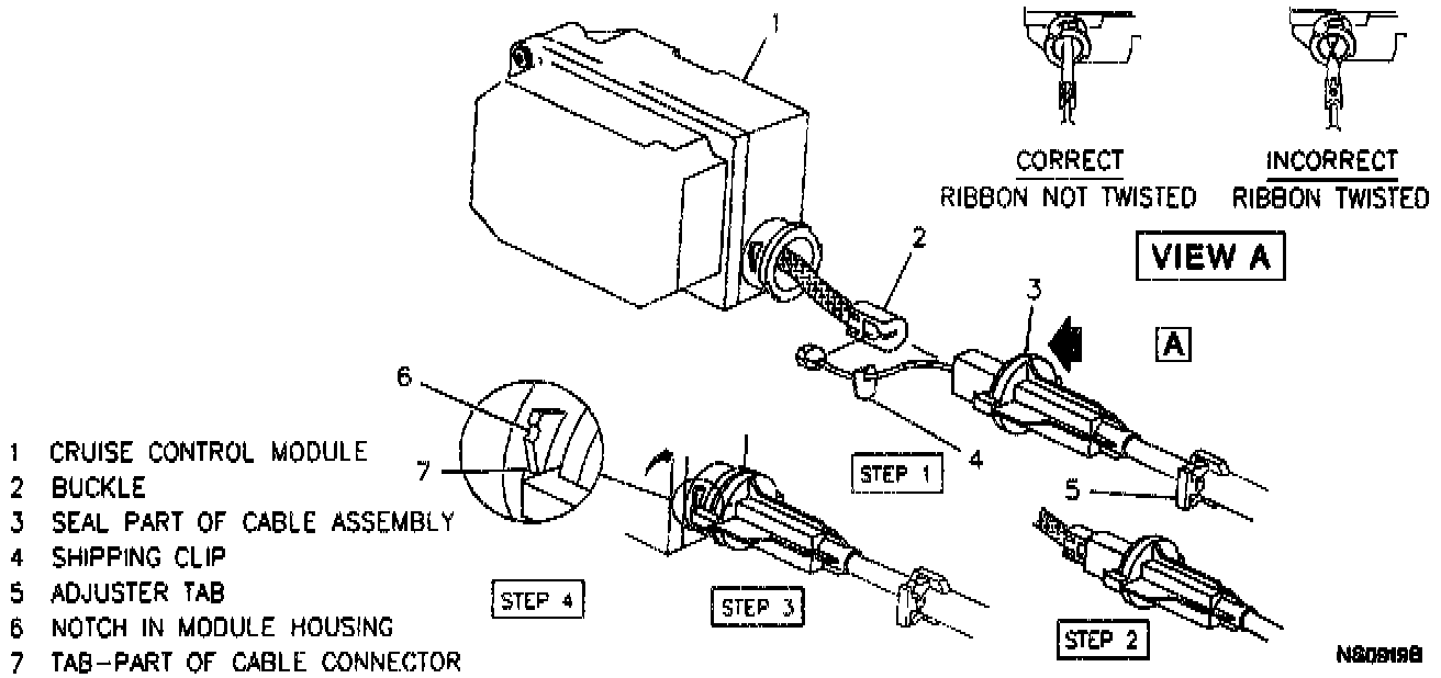
Cruise Control Cable To Module:




REMOVE OR DISCONNECT
1. Cruise control cable tab from TBI cam. Rotate throttle body cam to 1/4 open throttle to release tab.
2. Push locating fitting inward to release cable and pull from bracket.
3. Cable assembly from module by 1/4 turn counter clockwise.
4. Cable from ribbon.

INSTALL OR CONNECT
1. Cable to ribbon.
2. Cable assembly to module by 1/4 turn clockwise.
3. Cruise control cable tab to TBI cam.
4. Align cruise control cable fitting to TBI bracket and snap into place.