Operation CHARM: Car repair manuals for everyone.
Manuals through 2025 now available!

Our trusted friends have launched a new website named LEMON, which has newer manuals. It also contains all the CHARM manuals.

LEMON is the spiritual successor to CHARM, I recommend you try it!

Link: lemon-manuals.la or lemon-manuals.org.ua

(Some people have issue connecting. LEMON is investigating. For now, use Firefox or change your DNS server)

Or, hide this message: temporarily or permanently

Keyless Entry Transmitter

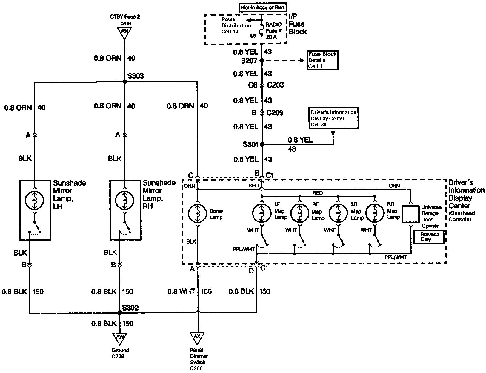
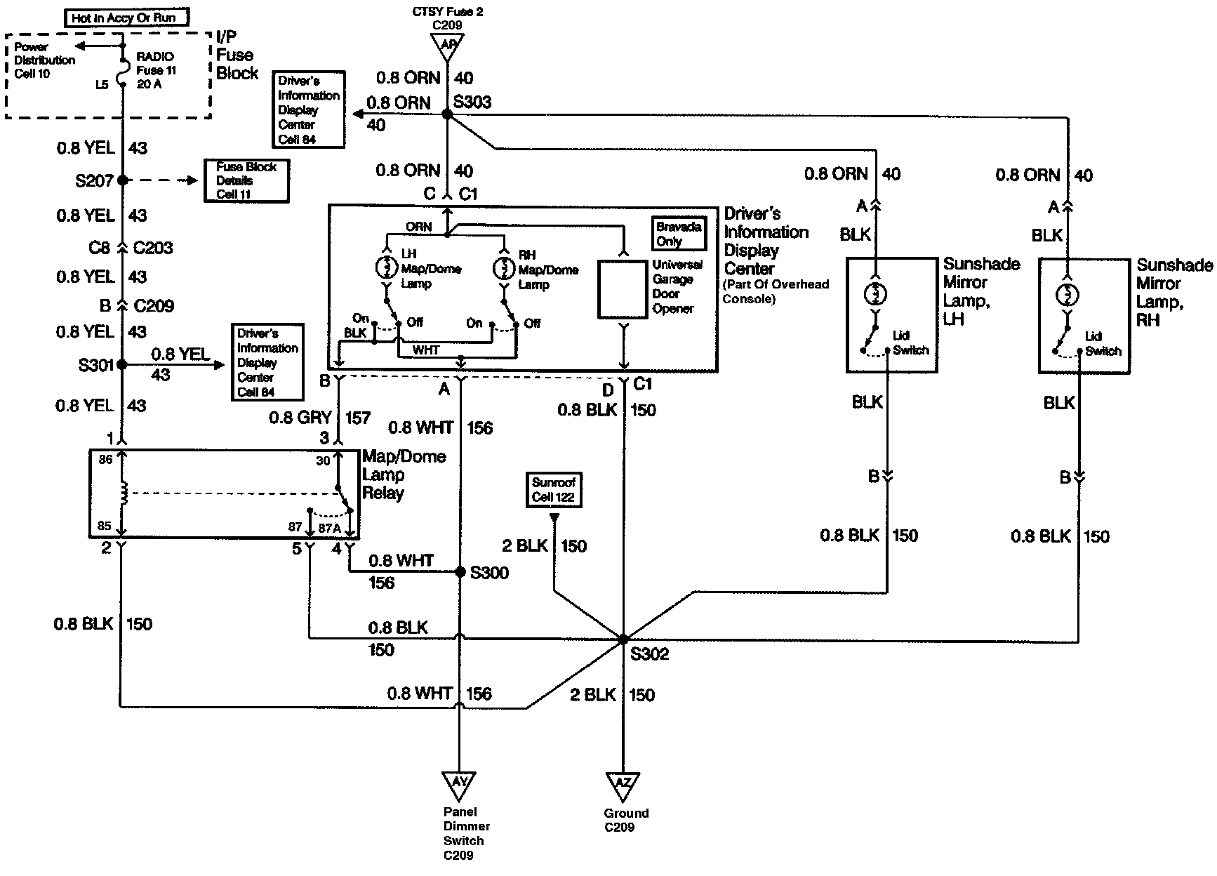
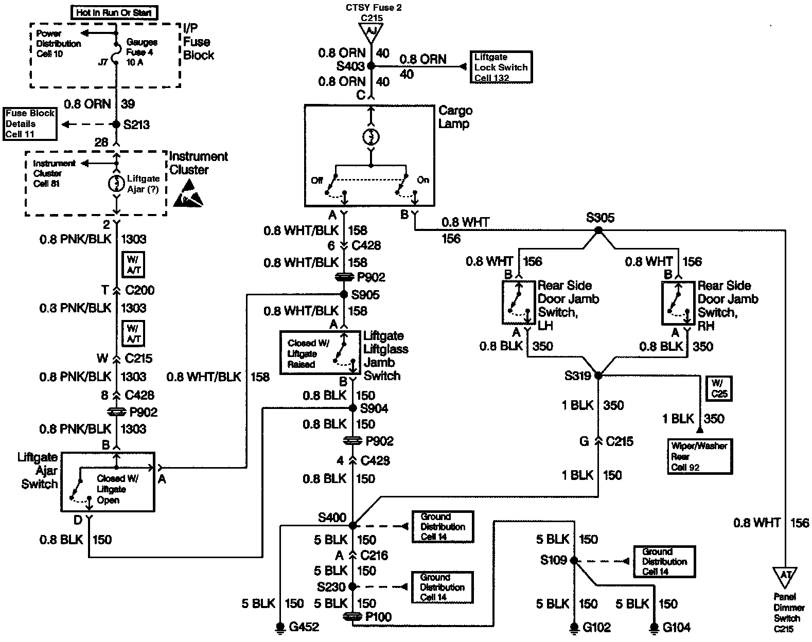
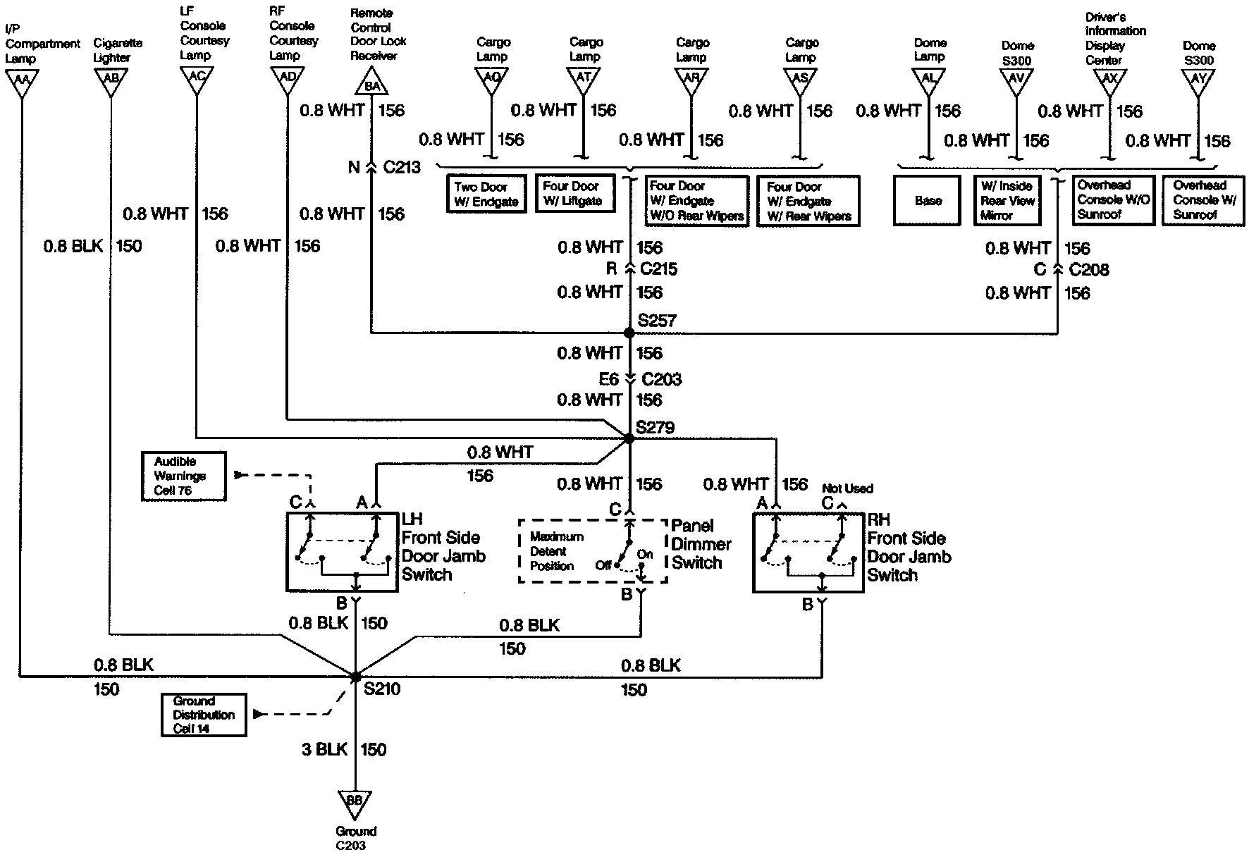
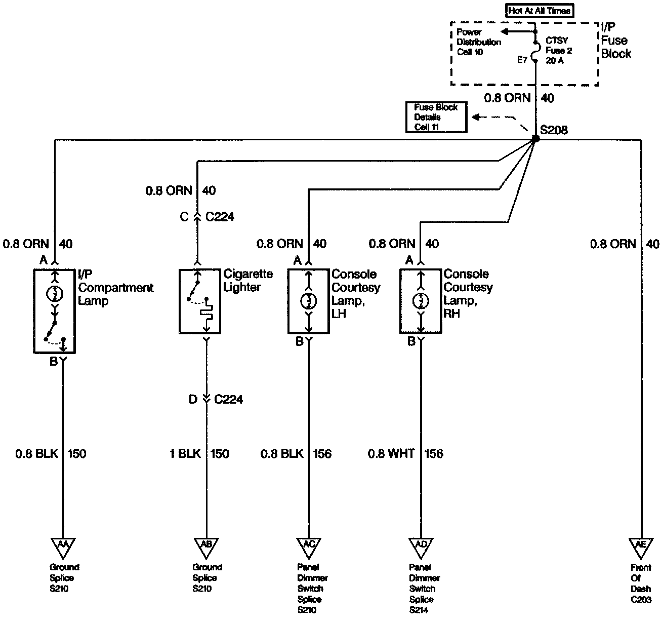
Keyless Entry (Part 1 Of 18):




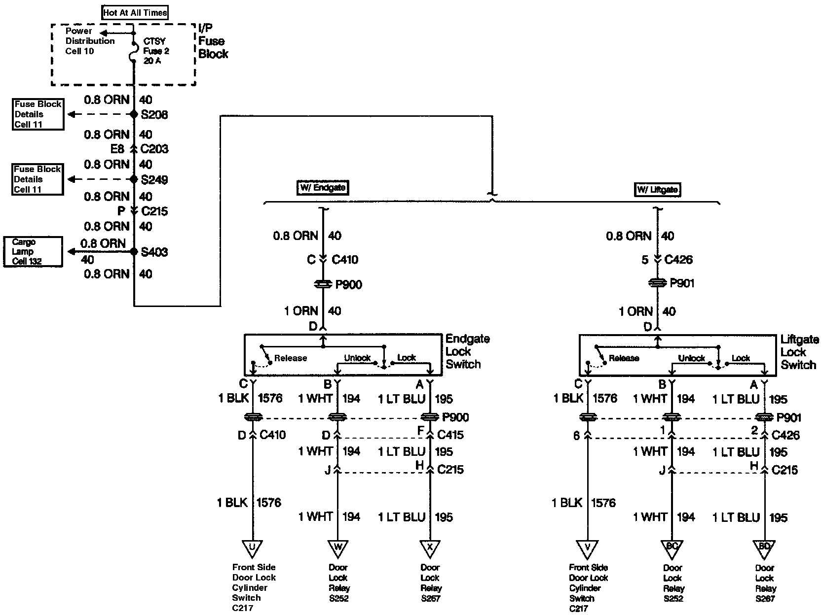
Keyless Entry (Part 2 Of 18):




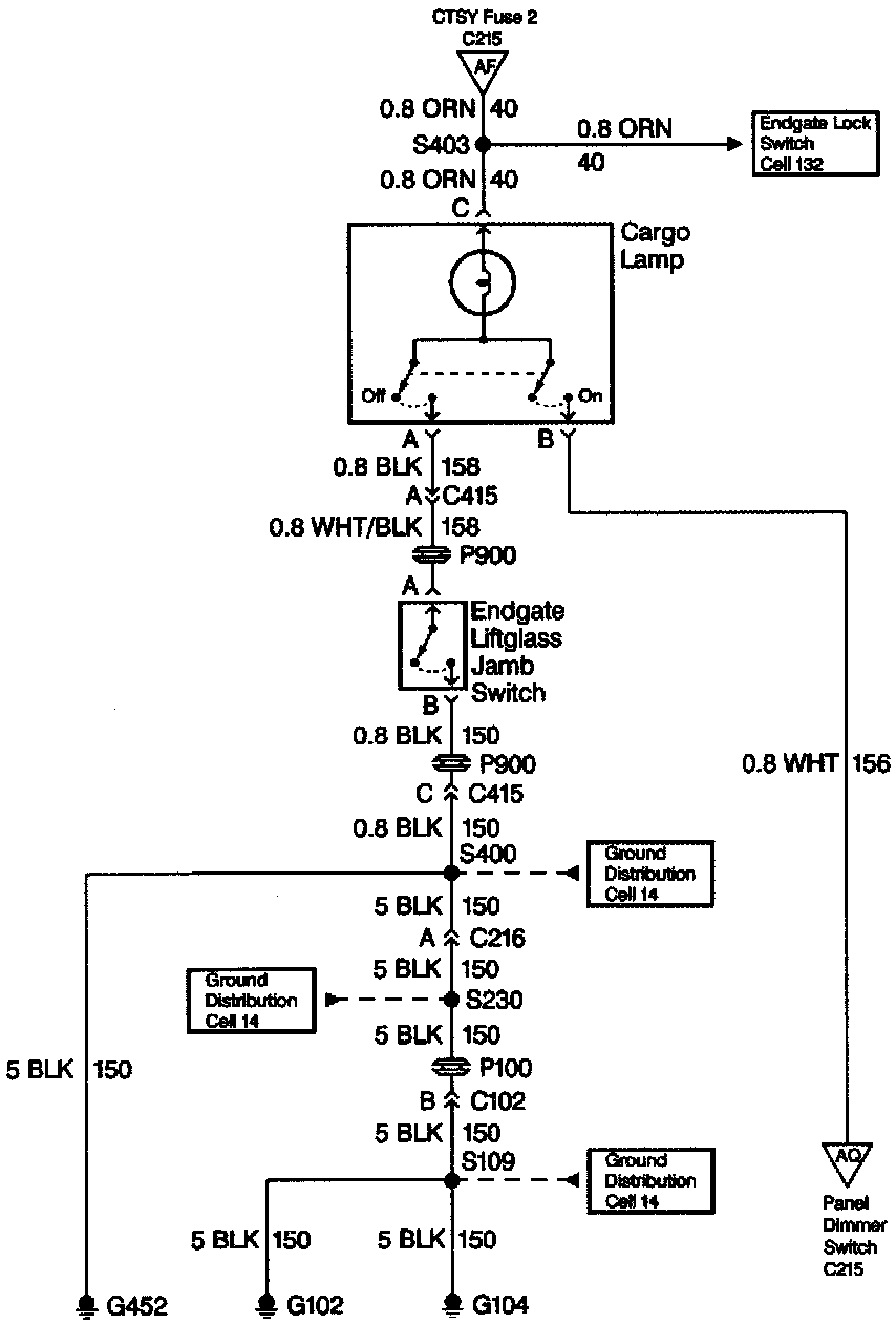
Keyless Entry (Part 3 Of 18):




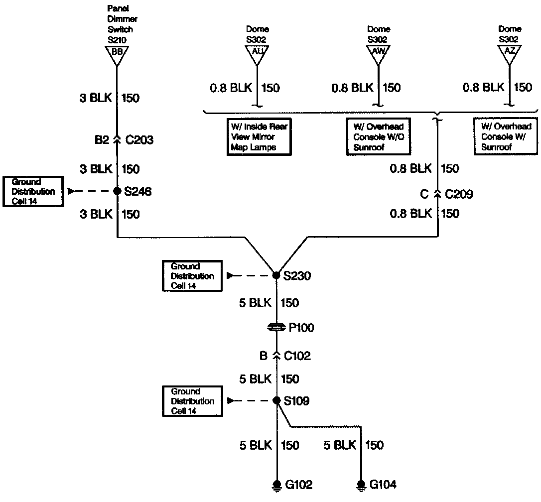
Keyless Entry (Part 4 Of 18):




Keyless Entry (Part 5 Of 18):




Keyless Entry (Part 6 Of 18):




Keyless Entry (Part 7 Of 18):




Keyless Entry (Part 8 Of 18):




Keyless Entry (Part 9 Of 18):




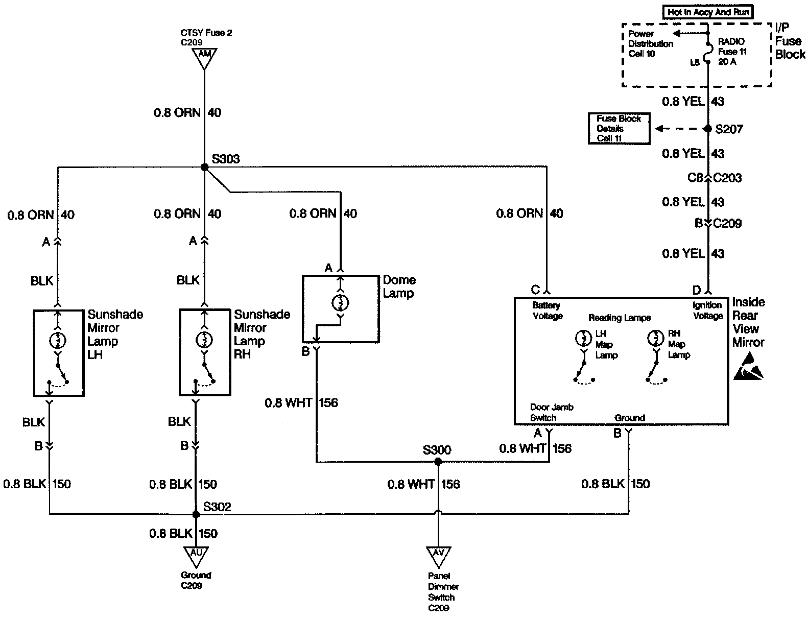
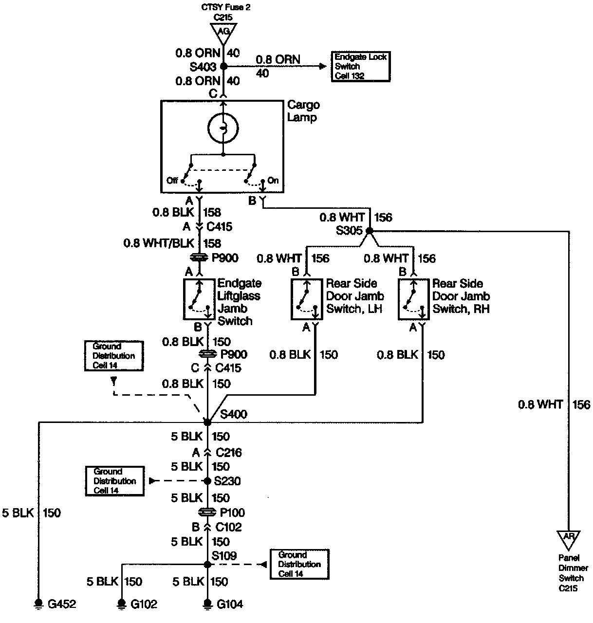
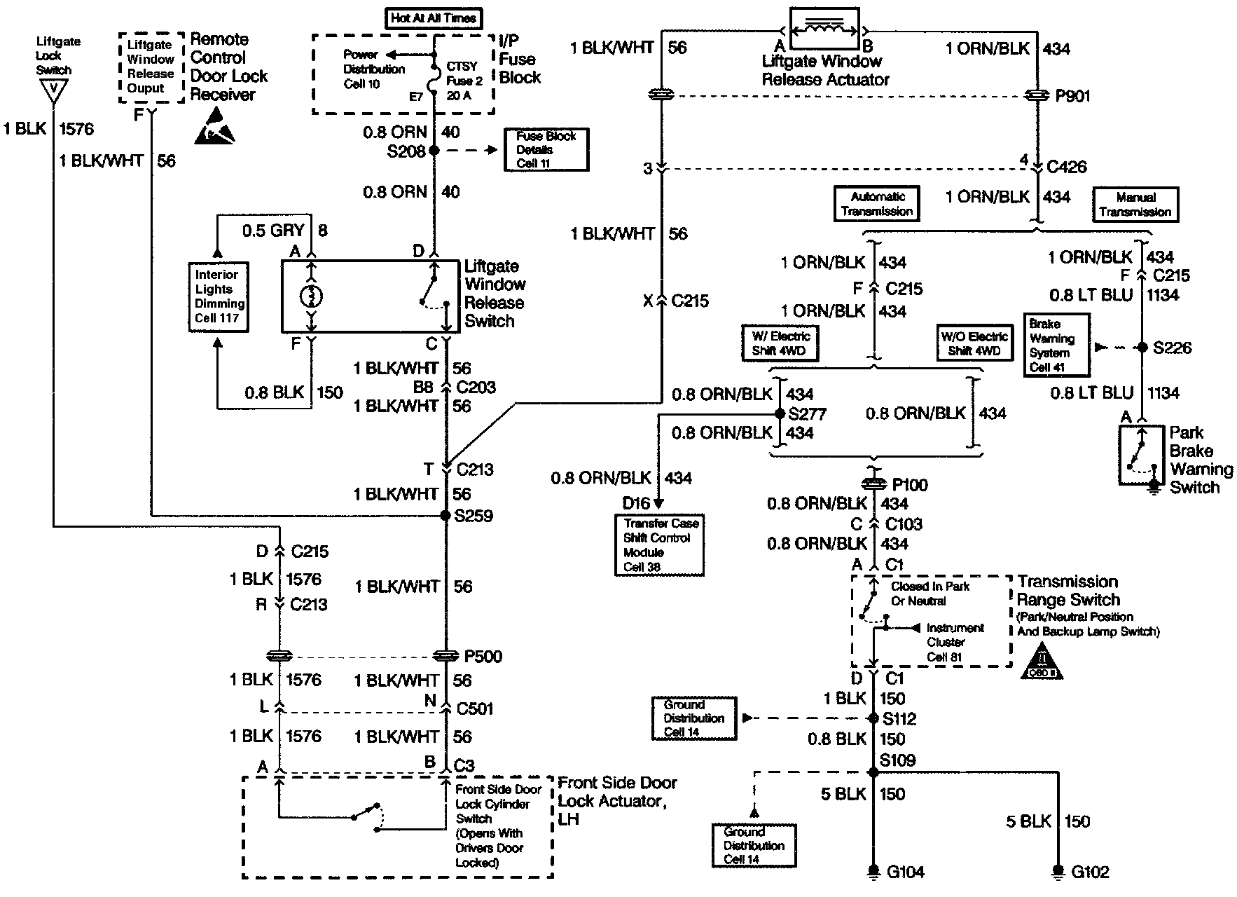
Keyless Entry (Part 10 Of 18):




Keyless Entry (Part 11 Of 18):




Keyless Entry (Part 12 Of 18):




Keyless Entry (Part 13 Of 18):




Keyless Entry (Part 14 Of 18):




Keyless Entry (Part 15 Of 18):




Keyless Entry (Part 16 Of 18):




Keyless Entry (Part 17 Of 18):




Keyless Entry (Part 18 Of 18):