Operation CHARM: Car repair manuals for everyone.
Manuals through 2025 now available!

Our trusted friends have launched a new website named LEMON, which has newer manuals. It also contains all the CHARM manuals.

LEMON is the spiritual successor to CHARM, I recommend you try it!

Link: lemon-manuals.la or lemon-manuals.org.ua

(Some people have issue connecting. LEMON is investigating. For now, use Firefox or change your DNS server)

Or, hide this message: temporarily or permanently

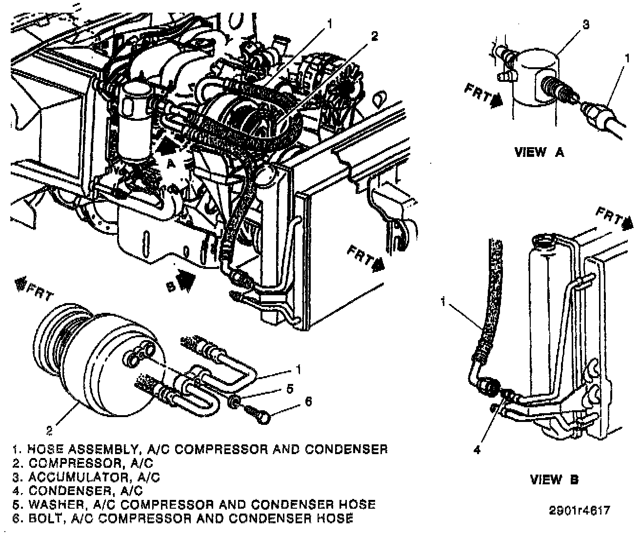
Compressor & Condenser Hose Assembly

Compressor And Condenser Hose Routing-Figure 42:




Attach Hose At Compressor:




Attach Hose At Accumulator-Figure 46:




Attach Hose At Condenser-Figure 48:






REMOVE OR DISCONNECT

1. Negative battery cable.

2. Recover refrigerant from the system.

3. Compressor and condenser hose bolt and washer.

4. Compressor and condenser hose from compressor.

5. Sealing washers.

6. Compressor and condenser hose from accumulator.

7. O-ring seal.

8. Compressor and condenser hose from condenser.

9. O-ring seal.

^ Cap or plug all open connections.


INSTALL OR CONNECT

1. New O-ring seal.

^ Coat O-ring seal with 525 viscosity refrigerant oil.

2. Compressor and condenser hose to condenser.

^ Tighten hose to 24 Nm (18 lbs. ft.).

3. New O-ring seal.

^ Coat O-ring seal with 525 viscosity refrigerant oil.

4. Compressor and condenser hose to accumulator.

^ Tighten hose to 41 Nm (30 lbs. ft.).

5. Sealing washers.

6. Compressor and condenser hose to compressor.

7. Compressor and condenser hose washer and bolt.

^ Tighten bolt to 33 Nm (24 lbs. ft.).

8. Negative battery cable.

9. Refrigerant to the system.

^ Check the system for leaks.