Operation CHARM: Car repair manuals for everyone.
Manuals through 2025 now available!

Our trusted friends have launched a new website named LEMON, which has newer manuals. It also contains all the CHARM manuals.

LEMON is the spiritual successor to CHARM, I recommend you try it!

Link: lemon-manuals.la or lemon-manuals.org.ua

(Some people have issue connecting. LEMON is investigating. For now, use Firefox or change your DNS server)

Or, hide this message: temporarily or permanently

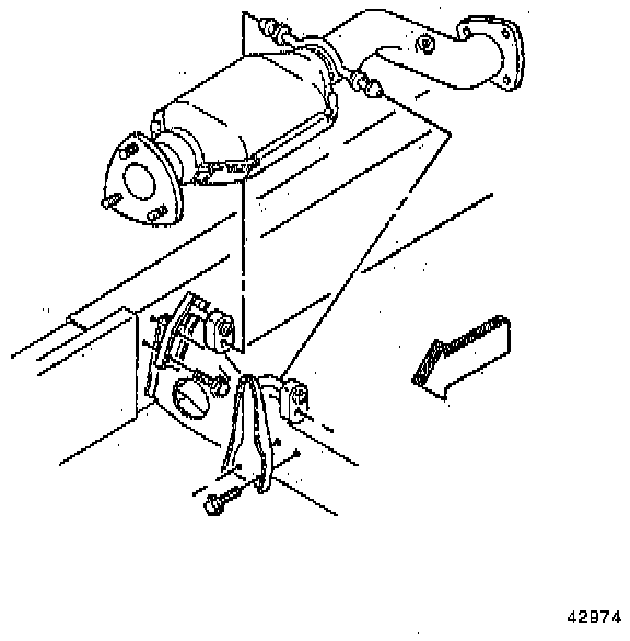
Catalytic Converter: Service and Repair

REMOVAL
1. Raise and support the vehicle on a hoist.





2. Remove the bolts at the front of the three-way catalytic converter.
3. Unbolt the converter from the muffler.





4. Remove the converter from the rubber converter hangers.





5. Remove the converter from the front exhaust pipe.

INSTALLATION
1. Install the new three-way catalytic converter into the exhaust pipe.
2. Install converter to the converter rubber hangers.
3. Install the muffler with a new gasket.
4. Check for clearance.
5. Check the alignment.
6. Tighten all clamps and fasteners to specifications.
^ Tighten to 50 Nm (37 ft. lbs.).
7. Lower the vehicle.