Operation CHARM: Car repair manuals for everyone.
Manuals through 2025 now available!

Our trusted friends have launched a new website named LEMON, which has newer manuals. It also contains all the CHARM manuals.

LEMON is the spiritual successor to CHARM, I recommend you try it!

Link: lemon-manuals.la or lemon-manuals.org.ua

(Some people have issue connecting. LEMON is investigating. For now, use Firefox or change your DNS server)

Or, hide this message: temporarily or permanently

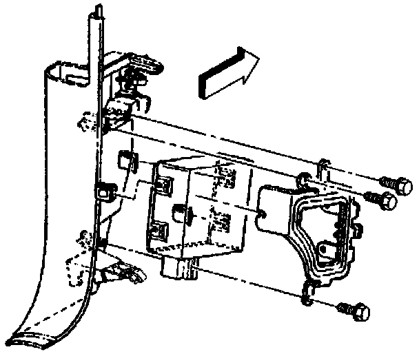
Frontal SIR System Remove or Disconnect









Removal Procedure

Notice: Do not open the DERM case for any reason. Touching the connector pins, or the soldered components may cause electrostatic discharge damage. Replacement is the only way to repair a malfunctioning DERM.

1. Disable to SIR system. Refer to Air Bag(s) Arming and Disarming.
2. Remove the right hand sound insulator.
3. Remove the right hand sill plate.
4. Remove the right hand cowl kick panel.
5. Remove the DERM from the mounting bracket.
6. Disconnect the connector lock.
7. Disconnect the DERM electrical connector from the DERM.