Operation CHARM: Car repair manuals for everyone.
Manuals through 2025 now available!

Our trusted friends have launched a new website named LEMON, which has newer manuals. It also contains all the CHARM manuals.

LEMON is the spiritual successor to CHARM, I recommend you try it!

Link: lemon-manuals.la or lemon-manuals.org.ua

(Some people have issue connecting. LEMON is investigating. For now, use Firefox or change your DNS server)

Or, hide this message: temporarily or permanently

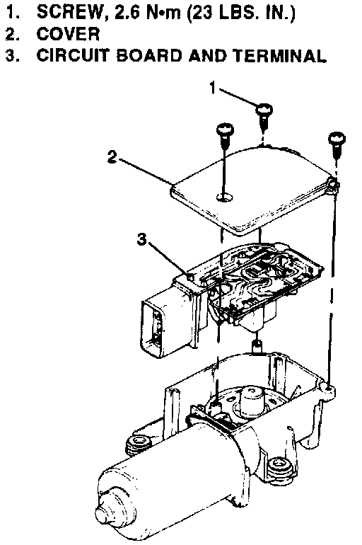
Wiper Control Module: Service and Repair

Description:








Remove or Disconnect
1. Negative battery cable.
2. Wipe motor electrical connector
3. Screws.
4. Cover.
5. Circuit board and terminal assembly by lifting up on terminal.

Install or Connect
1. Circuit board and terminal assembly.
2. Cover.
3. Screws.

Tighten
^ Circuit board and terminal assembly screws to 2.5 N.m (23 lbs. in.).

4. Wiper motor electrical connector.
5. Negative battery cable.