Operation CHARM: Car repair manuals for everyone.
Manuals through 2025 now available!

Our trusted friends have launched a new website named LEMON, which has newer manuals. It also contains all the CHARM manuals.

LEMON is the spiritual successor to CHARM, I recommend you try it!

Link: lemon-manuals.la or lemon-manuals.org.ua

(Some people have issue connecting. LEMON is investigating. For now, use Firefox or change your DNS server)

Or, hide this message: temporarily or permanently

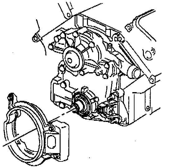
Front Engine Plate: Service and Repair

TOOL REQUIRED
^ J 36660 Torque Angle Meter

REMOVAL
1. Remove the torque axis mount.





2. Remove the torque axis mount bracket.
3. Remove the drive belt.
4. Remove the drive belt idler pulley. Remove the pulley bracket.
5. Remove the drive belt tensioner assembly.
6. Remove the crankshaft balancer.





7. Remove the sensor shield.
8. Remove the crankshaft sensor.
9. Remove the oil pan to the front cover bolts.
10. Remove the front cover attaching bolts.
11. Remove the front cover.
12. Inspect the timing chain for overall in and out movement. Movement should not exceed 25 mm (1 inch).
13. Inspect the sprockets for wear.





14. Clean the gasket mating surfaces at the timing chain cover, and cylinder block.
15. If the oil pan gasket is excessively swollen, the oil pan must be removed and the gasket replaced.

INSTALLATION
1. Install the gasket at the cylinder block.
2. Install the front cover.
3. Apply sealant GM P/N 12346004 or equivalent to the bolt threads.
4. Install the front cover attaching bolts. Tighten the bolts to 15 Nm (11 ft. lbs.). Use the Torque Angle Meter in order to rotate the bolts an additional 40 degrees.
5. Install the oil pan to the front cover bolts. Tighten the bolts to 14 Nm (125 inch lbs.).
6. Install the tensioner assembly.
7. Install the drive belt idler pulley. Install the pulley bracket.

CAUTION: Do not adjust the crankshaft sensor.

8. Install the crankshaft sensor.
9. Install the sensor shield.

CAUTION: This bolt is designed to permanently stretch when tightened. The correct part number fastener must be used to replace this type of fastener. Do not use a bolt that is stronger in this application. If the correct bolt is not used, the parts will not be tightened correctly. The system or the components may be damaged.

10. Install the crankshaft balancer and bolt.
11. Install the drive belt.
12. Install the torque axis mount.