Operation CHARM: Car repair manuals for everyone.
Manuals through 2025 now available!

Our trusted friends have launched a new website named LEMON, which has newer manuals. It also contains all the CHARM manuals.

LEMON is the spiritual successor to CHARM, I recommend you try it!

Link: lemon-manuals.la or lemon-manuals.org.ua

(Some people have issue connecting. LEMON is investigating. For now, use Firefox or change your DNS server)

Or, hide this message: temporarily or permanently

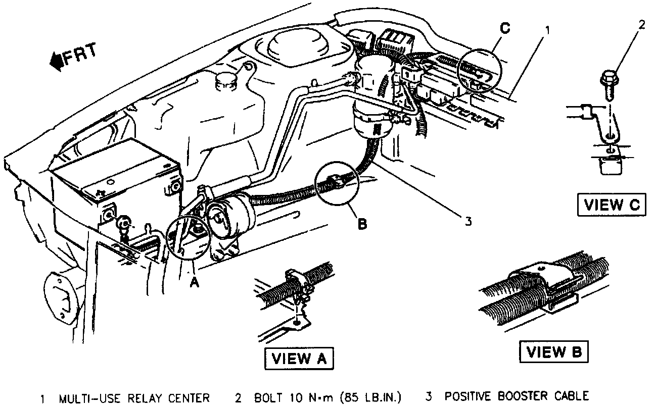
Battery Cable Replacement and Routing

Battery Cable Routing - Engine Compartment (L67):




Positive Booster Cable Routing:






Whenever battery cables are replaced be sure to use a replacement cable that is the same type and length. Some positive cables have additional feed wires attached to them and some negative cables have additional ground leads attached.

Always be certain when replacing a battery cable to route it the same as the one being replaced.