Operation CHARM: Car repair manuals for everyone.
Manuals through 2025 now available!

Our trusted friends have launched a new website named LEMON, which has newer manuals. It also contains all the CHARM manuals.

LEMON is the spiritual successor to CHARM, I recommend you try it!

Link: lemon-manuals.la or lemon-manuals.org.ua

(Some people have issue connecting. LEMON is investigating. For now, use Firefox or change your DNS server)

Or, hide this message: temporarily or permanently

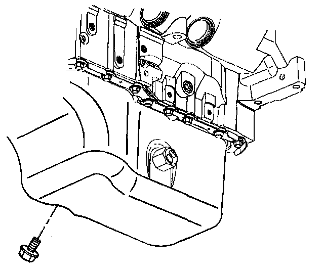
Engine Oil: Service and Repair

REMOVAL PROCEDURE





1. Raise and suitably support the vehicle. Refer to Vehicle Lifting.
2. Position the oil drain pan under the engine oil drain plug.
3. Remove the engine oil drain plug.
4. Clean and inspect the engine oil drain plug, repair or replace if necessary.
5. Clean and inspect the engine oil drain plug sealing surface on the oil pan, repair or replace oil pan if necessary.





6. Remove the oil filter.
7. Clean and inspect the oil filter sealing area on the oil filter adapter, repair or replace if necessary.

INSTALLATION PROCEDURE





1. Lightly oil the replacement oil filter gasket with clean oil and install the new oil filter.
2. Install the new oil filter.
^ Tighten the new oil filter to 3/4 to 1 full turn, after the oil filter gasket contacts the oil filter mounting surface.





3. Install the engine oil drain plug.
^ Tighten the engine oil drain plug to 30 Nm (22 ft. lbs.).

NOTICE: Refer to Fastener Notice in Service Precautions.

4. Lower the vehicle.
5. Fill the engine with new engine oil.
6. Inspect for oil leaks after engine start up.