Operation CHARM: Car repair manuals for everyone.
Manuals through 2025 now available!

Our trusted friends have launched a new website named LEMON, which has newer manuals. It also contains all the CHARM manuals.

LEMON is the spiritual successor to CHARM, I recommend you try it!

Link: lemon-manuals.la or lemon-manuals.org.ua

(Some people have issue connecting. LEMON is investigating. For now, use Firefox or change your DNS server)

Or, hide this message: temporarily or permanently

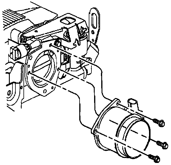
Air Flow Meter/Sensor: Service and Repair






Removal Procedure

NOTE: Take care not to damage the MAF sensor housing screen. Damage to the screen could restrict airflow possibly resulting in a driveability concern.

1. Remove the Intake Air duct.
2. Disconnect the MAF sensor electrical connector.
3. Remove the 3 MAF sensor mounting screws.
4. Remove the MAF sensor.

Installation Procedure

NOTE: The outlet of the air cleaner assembly and the MAF sensor inlet duct must line up when completely installed. Misalignment may cause incorrect airflow readings resulting in MIL illumination or a driveability concern. Improper installation of the inlet duct assembly or air cleaner assembly may cause misalignment.

1. Install the MAF sensor assembly. Tighten the MAF sensor assembly bolts to 8 Nm (71 lb. in.).
2. Connect the MAF sensor electrical connector.
3. Install the Intake Air duct. Tighten the Intake Air duct screw clamp to 3 Nm (27 lb. in.).