Operation CHARM: Car repair manuals for everyone.
Manuals through 2025 now available!

Our trusted friends have launched a new website named LEMON, which has newer manuals. It also contains all the CHARM manuals.

LEMON is the spiritual successor to CHARM, I recommend you try it!

Link: lemon-manuals.la or lemon-manuals.org.ua

(Some people have issue connecting. LEMON is investigating. For now, use Firefox or change your DNS server)

Or, hide this message: temporarily or permanently

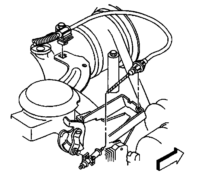
Cruise Control Servo Cable: Service and Repair

REMOVAL PROCEDURE



1. Disconnect the electrical connector from the cruise control servo module.




2. Disconnect the cruise control cable locator clip from the outboard rectangular hole in the routing bracket at the left front corner of the engine.
3. Disconnect the cruise control cable conduit fitting from the round hole in the engine cable bracket.
4. Disconnect the cruise control cable engine-end fitting from the nail-head stud on the throttle lever.




5. Disconnect the cruise control cable fitting from the cruise control module.




6. Disconnect the cruise control cable bead from the fitting on the cruise control module ribbon.
7. Remove the cruise control cable from the vehicle.

INSTALLATION PROCEDURE



1. Install the cruise control cable to the vehicle.
2. Connect the cruise control cable bead to the fitting on the cruise control module ribbon.




3. Pull the cruise control cable until the cable is taut.
4. Turn the cruise control cable at the engine-end fitting in order to straighten the cruise control module ribbon, as needed.
Ensure that the ribbon is flat and vertical.




5. Slide the cruise control cable conduit over the ribbon.
5.1. Install the tangs to the cruise control module housing.
5.2. Ensure that the tangs snap securely into place.




6. Route the cable over the brake booster, along the left side rocker cover under the preplenum air inlet tube, and above the radiator inlet hose.




7. Snap the cruise control cable engine-end fitting over the nail head stud on the throttle cam lever.
8. Connect the cruise control cable conduit fitting to the round hole in the engine cable bracket. Ensure that the tabs snap securely into the hole.
9. Connect the cruise control cable locator clip to the outboard rectangular hole in the routing bracket at the left front corner of the engine.
9.1. Route the cruise control cable above the accelerator cable.
9.2. Ensure that the clip snaps securely into place.




IMPORTANT: Secure all of the components of the accelerator and the cruise control cables as specified. Ensure that the throttle linkage operates freely without binding between the idle position and the wide open throttle.

10. Push the cable adjuster plunger into the locked position (2). Ensure that the white paint area is no longer visible.
^ The lash should automatically be set at 0.0-1.0 mm (0.0-0.04 in) by the adjuster.
^ If an adjustment is required, refer to Cruise Control Cable Adjustment (4.3L).




11. Connect the electrical connection to the cruise control servo module.
12. Test the systems operation.