Operation CHARM: Car repair manuals for everyone.
Manuals through 2025 now available!

Our trusted friends have launched a new website named LEMON, which has newer manuals. It also contains all the CHARM manuals.

LEMON is the spiritual successor to CHARM, I recommend you try it!

Link: lemon-manuals.la or lemon-manuals.org.ua

(Some people have issue connecting. LEMON is investigating. For now, use Firefox or change your DNS server)

Or, hide this message: temporarily or permanently

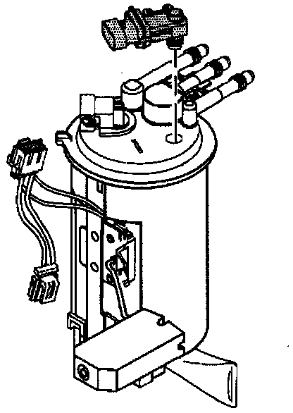
Fuel Tank Pressure Sensor: Service and Repair

Fuel Pressure Sensor Electrical Connector:




Fuel Pressure Sensor:









REMOVAL PROCEDURE
1. Raise the vehicle.
2. Remove the fuel tank. Refer to Fuel Tank.
3. Remove the fuel tank vapor pressure sensor electrical connector.
4. Remove the fuel tank pressure sensor.

INSTALLATION PROCEDURE
1. Install the fuel tank vapor pressure sensor.
2. Install the fuel tank vapor pressure sensor electrical connector.
3. Install the fuel tank. Refer to Fuel Tank.
4. Lower the vehicle.