Operation CHARM: Car repair manuals for everyone.
Manuals through 2025 now available!

Our trusted friends have launched a new website named LEMON, which has newer manuals. It also contains all the CHARM manuals.

LEMON is the spiritual successor to CHARM, I recommend you try it!

Link: lemon-manuals.la or lemon-manuals.org.ua

(Some people have issue connecting. LEMON is investigating. For now, use Firefox or change your DNS server)

Or, hide this message: temporarily or permanently

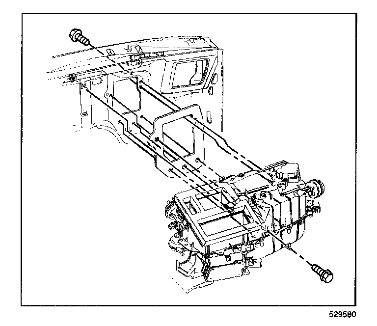
Installation Procedure





1. If replacing the HVAC module, transfer the components from the old heat/vent module as necessary.

Important:
Before installing the HVAC module to the vehicle, ensure that the HVAC module mounting studs are located in the proper positions.

2. Install the HVAC module to the vehicle.

3. Connect the heater hoses to the heater core.

4. Connect all of the vacuum lines to the heater assembly.

5. Connect all of the electrical connectors to the HVAC module.

6. Install the bottom right HVAC module mounting bolt from inside the vehicle approximately halfway into the threads.

Notice:
Refer to Fastener Notice in Cautions and Notices.

7. On the Utility only, install the HVAC module mounting stud located at the lower right side of the heater core to heater hoses connection in the engine compartment.

Tighten
Tighten the HVAC module mounting stud to 4.5 N.m (40 lb in).

8. Raise the vehicle.

9. On the Utility only, install the bottom right HVAC mounting studs. Ask an assistant to pull the bottom right corner of the HVAC module back from inside the vehicle.

Tighten
Tighten the heat/vent module mounting studs to 4.5 N.m (40 lb in).

10. On the Utility only, install the A/C evaporator and blower module heat shield bracket.

11. Install the heater/vent module mounting nuts.

Tighten
Tighten the HVAC module mounting nuts to 4.5 N.m (40 lb in).

12. On the Utility only, slide the A/C evaporator and blower module heat shield into the original position.

13. On the Utility only, install the A/C evaporator and blower module heat shield screws.

Tighten
Tighten the A/C evaporator and blower module heat shield screws 2.2 N.m (19 lb in).





14. Install the right front tire. Refer to Tire and Wheel Removal and Installation in Tires and Wheels.

15. Install the bottom right HVAC module mounting bolt from inside the vehicle.

Tighten
Tighten the HVAC module mounting bolt to 4.5 N.m (40 lb in).

16. Install the right wheel house panel. Refer to Wheelhouse Panel Replacement in Body Front End.





17. Install the HVAC module mounting nut located at the lower right side of the heater core to heater connection.

Tighten
Tighten the HVAC module mounting nut to 4.5 N.m (40 lb in).

18. Install the HVAC module mounting bolt located at the lower left side of the heater core to heater hose connection.

Tighten
Tighten the HVAC module mounting bolt to 4.5 N.m (40 lb in).

19. On vehicles with the 2.2 L engine only, install the engine wiring harness bracket located at the rear of the intake manifold. Refer to Valve Rocker Arm Cover Replacement in Engine Mechanical - 2.2 L.





Important:
Use the same mounting bolt marked during removal for the HVAC module during the installation process. Other mounting bolts are longer and will obstruct the operation of the temperature door.

20. Install the HVAC module mounting bolt through the blower motor resistor or service access cover opening.

Tighten
Tighten the HVAC module mounting bolt to 4.5 N.m (40 lb in).

21. Install the blower motor resistor. Refer to Blower Motor Resistor Assembly Replacement.

22. Refill the engine coolant. Refer to Draining and Filling Cooling System in Engine Cooling.

23. Install the instrument panel. Refer to Instrument Panel (I/P) Carrier Replacement in Instrument Panel, Gages and Console.