Operation CHARM: Car repair manuals for everyone.
Manuals through 2025 now available!

Our trusted friends have launched a new website named LEMON, which has newer manuals. It also contains all the CHARM manuals.

LEMON is the spiritual successor to CHARM, I recommend you try it!

Link: lemon-manuals.la or lemon-manuals.org.ua

(Some people have issue connecting. LEMON is investigating. For now, use Firefox or change your DNS server)

Or, hide this message: temporarily or permanently

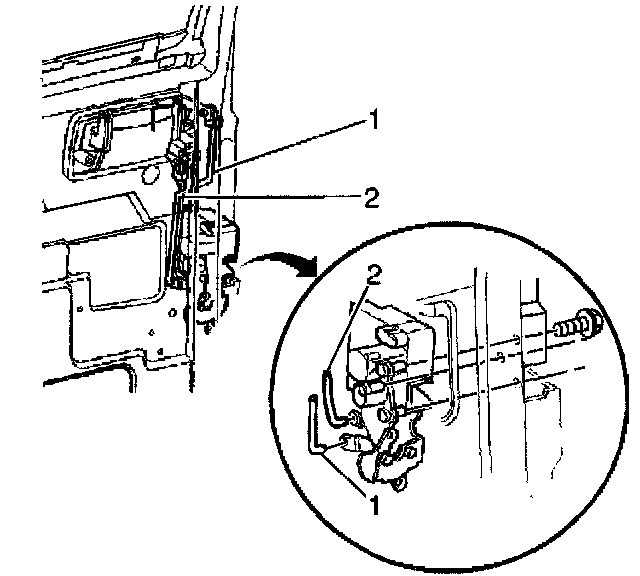
Lock Actuator

Removal Procedure

1. Raise the window to the closed position.
2. Disconnect the battery negative cable.
3. Remove the door trim panel.
4. Remove the water deflector.




5. Remove the inside door lock rod from the lock assembly (1).
6. Remove the inside door handle rod from the lock assembly (2).




7. Remove the outside door lock rod (1) from the lock assembly.
8. Remove the outside door handle rod (2) from the lock assembly.
9. Disconnect the power actuator wiring connector, if equipped.
10. Remove the fasteners that retain the lock assembly to the door.
11. Remove the lock assembly from the door.


Installation Procedure

1. Install the lock assembly to the door.
2. Install the fasteners that retain the lock assembly to the door.

Tighten
Tighten the fasteners to 9 N.m (80 lb in).

3. Connect the power actuator wiring connector, if equipped.
4. Install the outside door handle rod (2) to the lock assembly.
5. Install the outside lock rod (1) to the lock assembly.
6. Install the inside door handle rod (2) to the lock assembly.
7. Install the inside door lock rod (1) to the lock assembly.
8. Install the water deflector.
9. Install the door trim panel.
10. Connect the battery negative cable.