Operation CHARM: Car repair manuals for everyone.
Manuals through 2025 now available!

Our trusted friends have launched a new website named LEMON, which has newer manuals. It also contains all the CHARM manuals.

LEMON is the spiritual successor to CHARM, I recommend you try it!

Link: lemon-manuals.la or lemon-manuals.org.ua

(Some people have issue connecting. LEMON is investigating. For now, use Firefox or change your DNS server)

Or, hide this message: temporarily or permanently

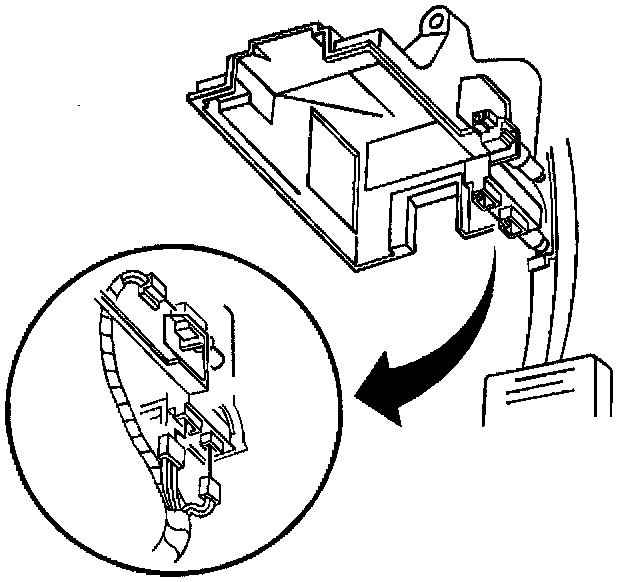
Cruise Release Switch Replacement

REMOVAL PROCEDURE

Cruise Release Switch Replacement: Removal Procedure:




1. Disconnect the negative battery cable.
2. Remove the left side instrument panel insulator.
3. Disconnect the cruise control release switch electrical connector.
4. Remove the cruise release switch from the brake pedal bracket.

INSTALLATION PROCEDURE

Cruise Release Switch Replacement: Installation Procedure:




1. Install the cruise control release switch to the brake pedal bracket.
2. Connect the cruise control release switch electrical connector.
3. Adjust the cruise control release switch.
4. Install the left side instrument panel insulator.
5. Connect the negative battery cable.