Operation CHARM: Car repair manuals for everyone.
Manuals through 2025 now available!

Our trusted friends have launched a new website named LEMON, which has newer manuals. It also contains all the CHARM manuals.

LEMON is the spiritual successor to CHARM, I recommend you try it!

Link: lemon-manuals.la or lemon-manuals.org.ua

(Some people have issue connecting. LEMON is investigating. For now, use Firefox or change your DNS server)

Or, hide this message: temporarily or permanently

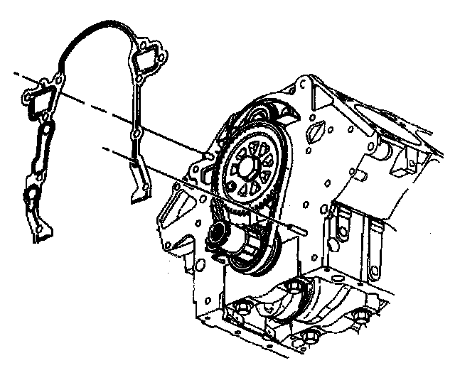
Timing Cover: Service and Repair

REMOVAL PROCEDURE

^ Tools Required
- J 37096 Flywheel Holder
- J 28467-B Universal Engine Support Fixture
- J 28467-90A Engine Support Adapters

1. Disconnect the battery ground (negative) cable.

CAUTION: Refer to Battery Disconnect Caution in Service Precautions.

2. Drain the engine coolant from the cooling system.





3. Remove the drive belt tensioner.
4. Remove the crankshaft balancer.
5. Disconnect the wiring harness connectors from the engine front cover.
6. Remove the crankshaft position sensor shield.
7. Install the J 28467-90A and the J 28467-B.

IMPORTANT: The oil pan can be dropped slightly for engine front cover clearance if all pan bolts are loosened and the oil level sensor is removed.

8. Remove the engine mount bracket for oil pan access.
9. Lower the oil pan and remove the engine front cover bolts at the engine front cover.





10. Remove the oil filter.
11. Remove the radiator outlet hose.
12. Remove the water pump pulley.





13. Remove the crankshaft position sensor.





14. Remove the engine front cover attaching bolts.
15. Remove the engine front cover with the oil filter adapter as one assembly.





16. Remove the engine front cover gasket.
17. If replacing the engine front cover, remove the oil filter adapter and pressure relief valve from the engine front cover.
18. If replacing the engine front cover, remove the water pump from the engine front cover.





19. If replacing the engine front cover, remove the oil pump cover and gear set from the engine front cover.
20. Inspect the oil pump cover and gear set.





21. If replacing the engine front cover, remove the camshaft position sensor from the engine front cover.
22. Inspect the timing chain for overall in and out movement. Maximum movement is 25.4 mm (1 inch).
23. Inspect the sprockets for wear.
24. Clean the mating surfaces of the front cover and cylinder block.
25. Clean the sealing surfaces with degreaser.

INSTALLATION PROCEDURE

^ Tools Required
- J 36660 Electronic Torque Angle Meter
- J 37096 Flywheel Holder





1. If you are installing a new engine front cover, install the camshaft position sensor to the engine front cover.
^ Tighten the camshaft position sensor bolts to 10 Nm (89 inch lbs.).

NOTICE: Refer to Fastener Notice in Service Precautions.

2. If replacing the engine front cover, install the oil pump cover and gear set to the engine front cover.
3. It replacing the engine front cover, install the oil filter adapter and pressure relief valve to the engine front cover.
4. If you are installing a new engine front cover, install the water pump to the engine front cover.





5. Install the new engine front cover seal.





6. Install the new engine front cover gasket. Make sure that the sealing surfaces are not damaged.
7. Apply sealer GM P/N 1052080 or equivalent to the bolt threads.





8. Align the cogs on the crankshaft sprocket with the cogs on the oil pump gear set in the engine front cover.
9. Install the engine front cover on the engine.





10. Install the crankshaft position sensor.
^ Tighten the crankshaft position sensor studs to 30 Nm (22 ft. lbs.).





11. Install the engine front cover bolts (1-7).
^ Tighten the engine front cover bolts to 20 Nm (15 ft. lbs.). Use the J 36660 in order to rotate the bolts an additional 40 degrees.

12. Inspect the oil pan gasket. Replace it if necessary.
13. Install the oil pan to the engine front cover bolts and the oil pan bolts.
^ Tighten the oil pan bolts to 14 Nm (125 inch lbs.).

14. Install the engine mount bracket.
15. Lower the engine.
16. Remove the J 28467-B and the J 28467-90A.
17. Install the water pump pulley.
18. Connect the radiator outlet hose.





19. Install the oil filter.





20. Install the crankshaft position sensor shield.
21. Connect the wiring harness connectors to the engine front cover.
22. Install the crankshaft balancer.
23. Install the drive belt tensioner.
24. Fill the cooling system with engine coolant.
25. Fill the crankcase with clean engine oil.
26. Connect the battery ground (negative) cable.
27. Inspect for proper fluid levels.
28. Inspect for leaks.