Operation CHARM: Car repair manuals for everyone.
Manuals through 2025 now available!

Our trusted friends have launched a new website named LEMON, which has newer manuals. It also contains all the CHARM manuals.

LEMON is the spiritual successor to CHARM, I recommend you try it!

Link: lemon-manuals.la or lemon-manuals.org.ua

(Some people have issue connecting. LEMON is investigating. For now, use Firefox or change your DNS server)

Or, hide this message: temporarily or permanently

Main

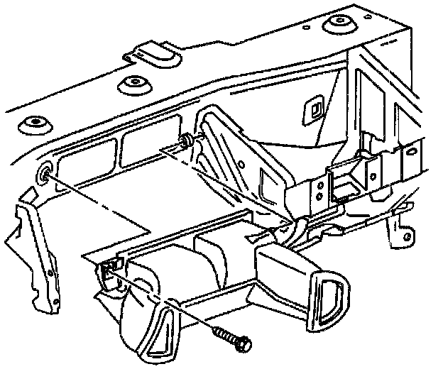
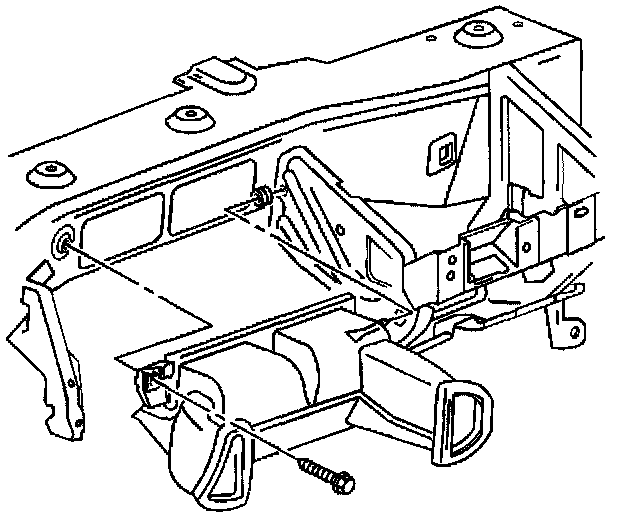
Removal Procedure

1. Remove the instrument panel.





2. Remove the screws and the defroster air distribution duct.





3. Remove the screws and the center air distribution duct.





4. Remove the screws and the side air distribution ducts.

Installation Procedure





1. Install the defroster air distribution duct and the screws.

Tighten
Tighten the air distribution ducts screws to 1.5 N.m (13 lb in).





2. Install the center air distribution duct and the screws.

Tighten
Tighten the air distribution ducts screws to 1.5 N.m (13 lb in).





3. Install the side air distribution ducts and the screws.

Tighten
Tighten the air distribution ducts screws to 1.5 N.m (13 lb in).

4. Install the instrument panel.