Operation CHARM: Car repair manuals for everyone.
Manuals through 2025 now available!

Our trusted friends have launched a new website named LEMON, which has newer manuals. It also contains all the CHARM manuals.

LEMON is the spiritual successor to CHARM, I recommend you try it!

Link: lemon-manuals.la or lemon-manuals.org.ua

(Some people have issue connecting. LEMON is investigating. For now, use Firefox or change your DNS server)

Or, hide this message: temporarily or permanently

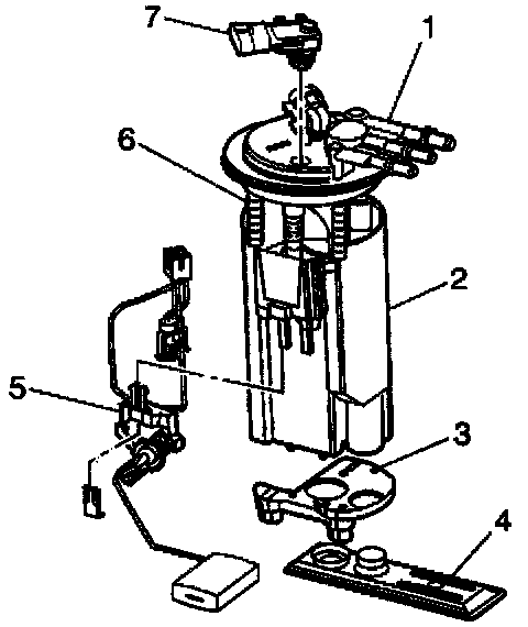
Fuel Pump Pickup Filter: Service and Repair





Fuel Pump Strainer Replacement

Removal Procedure

Important: Always maintain cleanliness when servicing fuel system components.

1. Relieve fuel system pressure. Refer to Fuel Pressure Release Procedure.
2. Remove the fuel sender assembly.
3. Note strainer (3) position for future reference.
4. Support the reservoir and grasp the strainer with a hand.




5. Use a screwdriver to pry the strainer ferrule off the reservoir.
6. Discard the strainer.




Installation Procedure
1. Install the new strainer (4) to the reservoir.
2. Support the reservoir with one hand and grasp the strainer with the other hand twisting the strainer into position.
3. Reinstall the fuel sender assembly.

Caution: Refer to Battery Disconnect Caution in Cautions and Notices.

4. Connect the negative battery cable.
5. Inspect for fuel leaks:
5.1. Turn the ignition switch ON for 2 seconds.
5.2. Turn the ignition switch OFF for 10 seconds.
5.3. Turn the ignition switch ON.
5.4. Check for fuel leaks.
6. Reinstall the fuel injection sight shield. Refer to Engine Cover Replacement Service and Repair.