Operation CHARM: Car repair manuals for everyone.
Manuals through 2025 now available!

Our trusted friends have launched a new website named LEMON, which has newer manuals. It also contains all the CHARM manuals.

LEMON is the spiritual successor to CHARM, I recommend you try it!

Link: lemon-manuals.la or lemon-manuals.org.ua

(Some people have issue connecting. LEMON is investigating. For now, use Firefox or change your DNS server)

Or, hide this message: temporarily or permanently

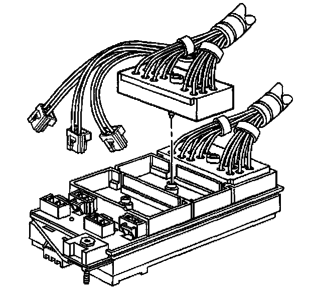
Fuse Block: Service and Repair

CAUTION: Refer to Battery Disconnect Caution in Cautions and Notices

CAUTION: Refer to SIR Handling Caution in Cautions and Notices.






1. Disconnect the battery ground (negative) cable.
2. Remove the battery (positive) cable cover.




3. Remove the battery (positive) cable junction block lead nut.
4. Remove the battery (positive) cable from the underhood accessory wiring junction block.




5. Remove the underhood accessory wiring junction block from the junction block bracket.




6. Disconnect the top three instrument panel harness connectors.




7. Remove the electrical connector bolt and the engine harness from the accessory wiring junction block.




8. Remove the electrical connector bolt and the instrument panel harness from the accessory wiring junction block.




9. Remove the electrical connector bolt and the forward lamp harness from the underhood accessory wiring junction block.
10. Remove the accessory wiring junction block from the vehicle.




11. Remove the junction block bracket nut.
12. Remove the junction block bracket.

INSTALLATION PROCEDURE





1. Position the battery (positive) cable through the junction block bracket and install the junction block bracket.
2. Install the junction block bracket nut.

Tighten
Tighten the junction block bracket nut to 3 N.m (27 lb in).





3. Install the forward lamp harness to the accessory wiring junction block.




4. Install the instrument panel harness to the accessory wiring junction block.




5. Install the engine harness to the accessory wiring junction block.




6. Install the electrical connector bolts.

Tighten
Tighten the electrical connector bolts to 7 N.m (62 lb in).

7. Connect the top three instrument panel harness connectors.




8. Install the accessory wiring junction block to the junction block bracket. Make sure the tabs are fully seated.




9. Install the battery (positive) cable and the battery (positive) cable junction block lead nut to the underhood accessory wiring junction block.

Tighten
Tighten the battery (positive) cable junction block lead nut to 25 N.m (18 lb ft).




10. Replace the positive battery cable cover.
11. Connect the battery ground (negative) cable.