Operation CHARM: Car repair manuals for everyone.
Manuals through 2025 now available!

Our trusted friends have launched a new website named LEMON, which has newer manuals. It also contains all the CHARM manuals.

LEMON is the spiritual successor to CHARM, I recommend you try it!

Link: lemon-manuals.la or lemon-manuals.org.ua

(Some people have issue connecting. LEMON is investigating. For now, use Firefox or change your DNS server)

Or, hide this message: temporarily or permanently

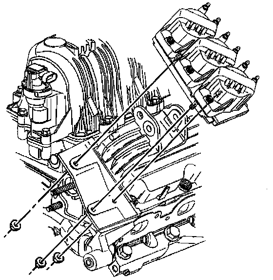
Ignition Control Module: Service and Repair




Ignition Control Module Replacement

Removal Procedure
1. Disconnect the negative battery cable. Refer to Battery Negative Cable Disconnect/Connect in engine electrical.
2. Disconnect the 14-way wiring harness connector from the ignition control module.
3. Disconnect the spark plug wires from the ignition coils (not the position of the wires before removal).




4. Remove nuts and washers securing the coil assemblies to the ignition control module.




5. Remove the six (1) screws securing the ignition coils to the ICM.
6. Remove the ignition control module and coils as an assembly.
7. Remove the ignition coils (2) from the ICM (3).

Installation Procedure




1. Install the coils (2) to the ignition control module (3). Refer to Ignition Control Module Replacement (Ignition Coils).

Notice: Refer to Fastener Notice in Cautions and Notices.

2. Install the ignition coil attaching screws to (1) to the ignition control module.
- Tighten the screws to 5 N.m (40 lb in).




3. Install the ICM with ignition coils to the mounting bracket.
4. Install the washers and nuts securing the ignition control module to the mounting bracket.
- Tighten the nuts to 8 N.m (70 lb in).

5. Connect the spark plug wires to the ignition coils (in order they were removed).
6. Connect the 14-way wiring harness connector to the ignition control module.
7. Connect the negative battery cable. Refer to Battery Negative Cable Disconnect/Connect in engine electrical.