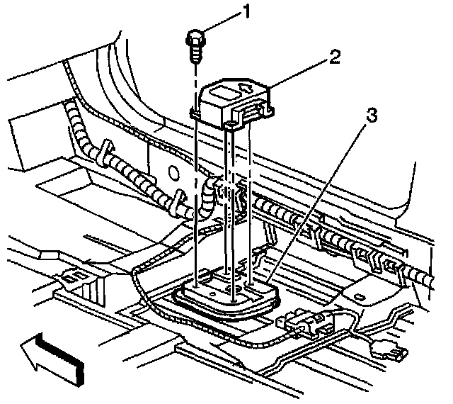
Installation Procedure
1. Install the SDM (2) to the floor pan (3).
Notice: Refer to Fastener Notice in Cautions and Notices.
2. Install the SDM mounting fasteners (1).
Tighten
Tighten fasteners to 10 N.m (89 lb in).
3. Install the SDM harness connector to the SDM.
4. Install the Connector Position Assurance (CPA) to the SDM harness connector.
5. Install the carpet and the passenger front carpet retainers. Refer to Carpet Retainer Replacement in Interior Trim.
6. Install the passenger front seat. Refer to Seat Replacement - Front Bucket in Seats. Service and Repair
7. Enable the SIR system. Refer to Enabling the SIR System. Enabling the SIR System