Operation CHARM: Car repair manuals for everyone.
Manuals through 2025 now available!

Our trusted friends have launched a new website named LEMON, which has newer manuals. It also contains all the CHARM manuals.

LEMON is the spiritual successor to CHARM, I recommend you try it!

Link: lemon-manuals.la or lemon-manuals.org.ua

(Some people have issue connecting. LEMON is investigating. For now, use Firefox or change your DNS server)

Or, hide this message: temporarily or permanently

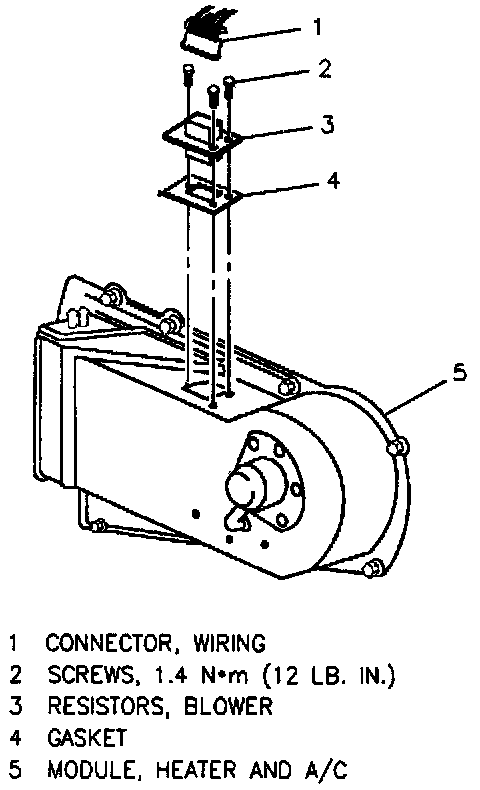
Blower Motor Resistor: Service and Repair






Remove or Disconnect

1. Negative battery cable.
2. Rear engine sight shield. Refer to Engine Cover Replacement Service and Repair.
3. Center bolt and positive booster cable from multi-use relay and fuse bracket.
4. Underhood fuse blocks and relays from bracket and position aside.
5. Nuts attaching multi-use relay and fuse bracket to front of dash, and bracket from vehicle.
6. Connector from blower resistor assembly.
7. Screws retaming the blower resistor.
8. Blower resistor from vehicle.

Install or Connect

1. Screws retaming the blower resistor.

Tighten
^ Screws to 1.4 N.m (12 lb. in.).

2. Connector to blower resistor.
3. Nuts attaching multi-use relay and fuse bracket to front of dash after positioning on vehicle.

Tighten
^ Nuts to 3.8 N.m (34 lb. in.).

4. Position fuse blocks and relays to bracket and snap in.
5. Center bolt attaching positive booster cable to multi-use relay and fuse bracket after positioning cable.

Tighten
^ Bolt to 10 N.m (89 lb. in.).

6. Rear engine sight shield. Refer to Engine Cover Replacement Service and Repair.
7. Negative battery cable.

Tighten
^ Negative battery cable to 15 N.m (11 lb. ft.).