Operation CHARM: Car repair manuals for everyone.
Manuals through 2025 now available!

Our trusted friends have launched a new website named LEMON, which has newer manuals. It also contains all the CHARM manuals.

LEMON is the spiritual successor to CHARM, I recommend you try it!

Link: lemon-manuals.la or lemon-manuals.org.ua

(Some people have issue connecting. LEMON is investigating. For now, use Firefox or change your DNS server)

Or, hide this message: temporarily or permanently

Compressor Fitting HVAC: Service and Repair

A/C Compressor Hose Assembly:




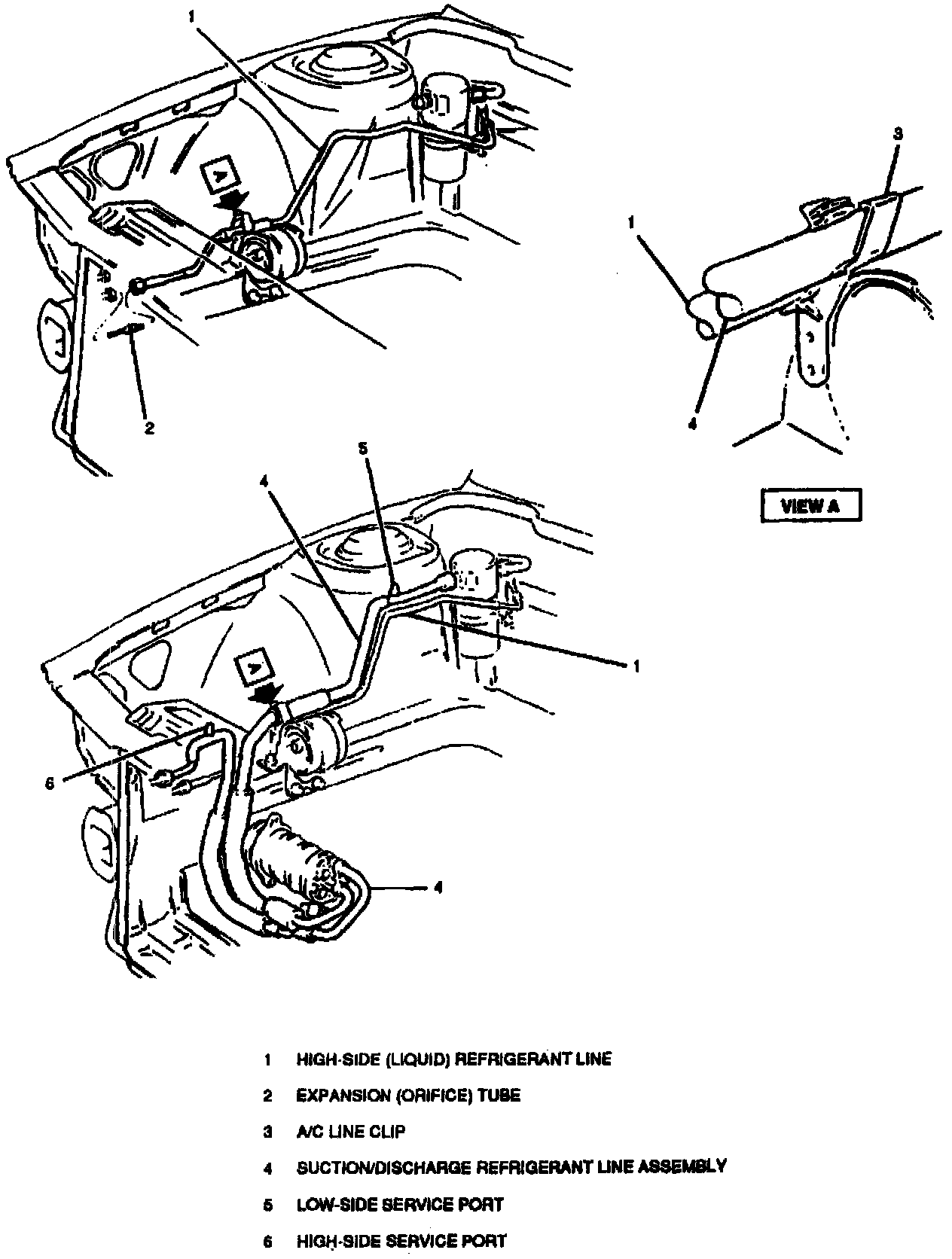
A/C Line Routing:






Tools Required:
J 38042 Dual O-Ring Joint Separator
J 39400 ACR 4 Machine

Remove or Disconnect

^ Recover refrigerant.
1. Negative battery cable.
2. Upper A/C line clip.
3. A/C line connection from accumulator outlet using J 38042.
4. A/C line connection from condenser inlet using J 38042.
5. A/C compressor splash shield.
6. Electrical connector from A/C pressure switch.
7. Bolt attaching A/C compressor hose assembly from rear of A/C compressor.
8. A/C compressor hose assembly from vehicle.

Install or Connect

1. A/C compressor hose assembly into vehicle.
2. Bolt attaching A/C compressor hose assembly to rear of A/C compressor.

Tighten
^ Bolt to 30 N.m (22 lb. ft.).

3. Electrical connector to A/C pressure switch.
4. A/C compressor splash shield.
5. A/C line connection to condenser inlet.

Tighten
^ Condenser inlet connection to 24 N.m (18 lb. ft.).

6. A/C line connection to accumulator outlet.

Tighten
^ Accumulator outlet connection to 24 N.m (18 lb. ft.).

7. Upper A/C line clip.
8. Negative battery cable.

Tighten
^ Negative battery cable to 15 N.m (11 lb. ft.).
^ Evacuate, charge and leak test A/C system.