Operation CHARM: Car repair manuals for everyone.
Manuals through 2025 now available!

Our trusted friends have launched a new website named LEMON, which has newer manuals. It also contains all the CHARM manuals.

LEMON is the spiritual successor to CHARM, I recommend you try it!

Link: lemon-manuals.la or lemon-manuals.org.ua

(Some people have issue connecting. LEMON is investigating. For now, use Firefox or change your DNS server)

Or, hide this message: temporarily or permanently

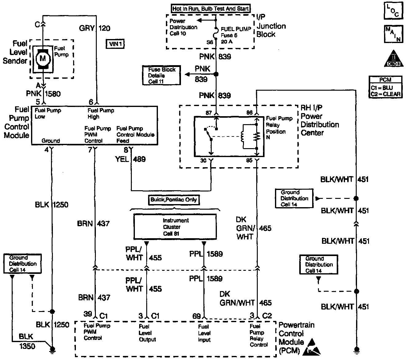
Circuit Diagnosis - Fuel Pump Relay

Fuel Pump Relay Circuit Diagnosis:



















Fuel Pump Relay Circuit Diagnosis (VIN 1):






CIRCUIT DESCRIPTION

When the ignition switch is first turned ON, the PCM energizes the fuel pump relay which applies battery positive voltage to the fuel pump control module. The fuel pump relay will remain ON as long as the engine is running or cranking and the PCM is receiving reference pulses. If no reference pulses are present, the PCM de-energizes the fuel pump relay within 2 seconds after the ignition is turned ON or the engine is stopped. The fuel pump delivers fuel to the fuel rail and injectors, then to the fuel pressure regulator. The fuel pressure regulator controls fuel pressure by allowing excess fuel to be returned to the fuel tank. With the engine stopped, the fuel pump can be turned ON by using the scan tool output controls function.

The PCM alters fuel pump speed by varying the duty cycle on the fuel pump speed control Pulse Width Modulated (PMW) circuit to the fuel pump control module. Under normal conditions, the fuel pump speed control PWM circuit duty cycle is set at 33%. When higher fuel volume is required due to increased engine load (Manifold Absolute Pressure (MAP) sensor value over 90 kPa), the PCM switches the fuel pump speed control PWM circuit duty cycle to 100%. At the higher duty cycle, the fuel pump control module increases the voltage the in-tank fuel pump, allowing a higher volume of fuel to be delivered to the fuel rail. The PCM also compensates for low system voltage by switching the fuel pump control circuit PWM duty cycle to 100%.

DIAGNOSTIC AIDS

An intermittent may be caused by a poor connection, rubbed through the wire insulation or a wire broken inside of the insulation.

Check for a poor connection or a damaged harness. Inspect the PCM harness and connectors for the following items:

^ Improper mating

^ Broken locks

^ Improperly formed or damaged terminals

^ Poor terminal to wire connections

^ Damaged harnesses


TEST DESCRIPTION

Number(s) below refer to the Step number(s) on the Diagnostic Table:

3. Fuel pressure between the specified values is sufficient for the vehicle to start. If directed to this table from the Engine Cranks But Will Not Run table, continue diagnosis with Engine Cranks But Will Not Run.
Engine Cranks, But Will Not Run

4. Ensures that the fuel pump speed control PWM circuit and the PCM are capable of controlling fuel pump speed.

5. Verifies that the fuel pump feed and ground circuits are OK between the fuel pump control module and the fuel pump, and that the fuel pump can deliver adequate pressure to the fuel rail.

6. Checks the feed circuit to the fuel pump control module.

8. Ensures that the fuel pump speed control PWM circuit is not shorted to ground.

13. Checks the ignition feed circuit to the fuel pump relay contacts.

14. Checks the ground circuit for the fuel pump relay coil.

15. Ensures that the fuel pump relay control circuit is OK and that the PCM is capable of controlling the fuel pump relay. Using the scan tool to command the fuel pump relay allows only a 2 second ON time.

21. Checks the fuel pump relay control circuit for a short to ground.

26. If the fuel pump is operating but incorrect pressure is observed, the fuel pump wiring is OK and the Fuel System Pressure Test should be used for diagnosis.
System Diagnosis - Fuel System Pressure Test

28. Determines whether the problem is being caused by an open in the fuel pump feed circuit or the fuel pump ground circuit.

31. Ensures that the fuel pump speed control PWM circuit is OK and that the PCM can control the fuel pump speed control circuit. Using the scan tool to command the FP Speed allows only a 2 second time in the commanded state.

38. This vehicle is equipped with a PCM which utilizes an Electrically Erasable Programmable Read Only Memory (EEPROM). When the PCM is being replaced, the new PCM must be programmed.