Operation CHARM: Car repair manuals for everyone.
Manuals through 2025 now available!

Our trusted friends have launched a new website named LEMON, which has newer manuals. It also contains all the CHARM manuals.

LEMON is the spiritual successor to CHARM, I recommend you try it!

Link: lemon-manuals.la or lemon-manuals.org.ua

(Some people have issue connecting. LEMON is investigating. For now, use Firefox or change your DNS server)

Or, hide this message: temporarily or permanently

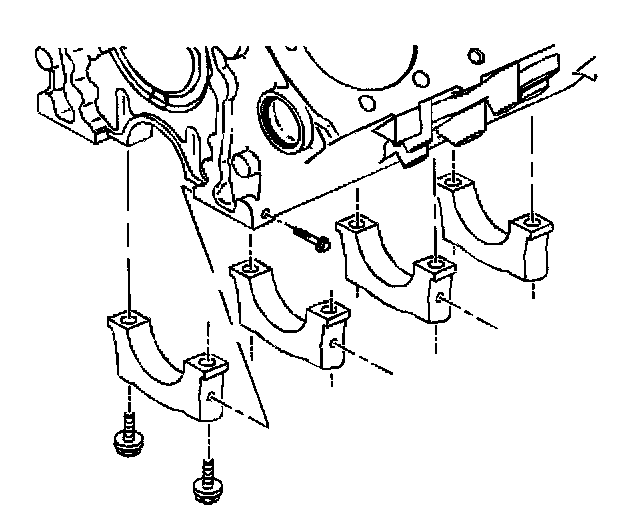
Fastener Tightening Specifications - Main Bearing


^ Tools Required
- J36660 Torque Angle Meter





1. Install the lower crankshaft main bearings.
2. Install the crankshaft. Lubricate the crankshaft to crankshaft main bearing contact areas with engine oil or engine assembly lubricant.
3. Install the upper crankshaft main bearings.

NOTICE: In order to prevent the possibility of cylinder block or crankshaft bearing cap damage, the crankshaft bearing caps are tapped into the cylinder block cavity using a brass, lead, or a leather mallet before the attaching bolts are installed. Do not use attaching bolts to pull the crankshaft bearing caps into the seats. Failure to use this process may damage a cylinder block or a bearing cap.





4. Install the crankshaft main bearing caps. Use GM P/N 1052942 sealer at the number 4 crankshaft main bearing cap to the engine block surface.
5. Install the crankshaft main bearing cap bolts. Start the crankshaft main bearing cap bolts by hand. Ensure the bottom of the crankshaft main bearing cap is parallel to the bottom of the channel.

NOTICE: Refer to Permanently Stretching Bolt Notice in Service Precautions.

^ Tighten the crankshaft main bearing cap bolts in equal increments. Do not completely tighten one bolt at a time to prevent the cap from being cocked.
^ Tighten the bolts to 70 Nm (52 ft. lbs.) to fully seat the crankshaft main bearing caps. Loosen the bolts 360 degrees counterclockwise.
^ Tighten the bolts to 20 Nm (15 ft. lbs.), then 40 degrees (30 ft. lbs.).
^ Use J36660 to tighten the bolts in steps: 35 degrees + 35 degrees + 40 degrees for a total of 110 degrees.

NOTICE: Refer to Fastener Notice in Service Precautions.

6. Install the side main bolts. Apply GM P/N 12345493 or equivalent to the side main bolts.
Tighten the side crankshaft main bearing cap bolts to 15 Nm (11 ft. lbs.). Use J36660 to tighten the bolts an additional 45 degrees.