Operation CHARM: Car repair manuals for everyone.
Manuals through 2025 now available!

Our trusted friends have launched a new website named LEMON, which has newer manuals. It also contains all the CHARM manuals.

LEMON is the spiritual successor to CHARM, I recommend you try it!

Link: lemon-manuals.la or lemon-manuals.org.ua

(Some people have issue connecting. LEMON is investigating. For now, use Firefox or change your DNS server)

Or, hide this message: temporarily or permanently

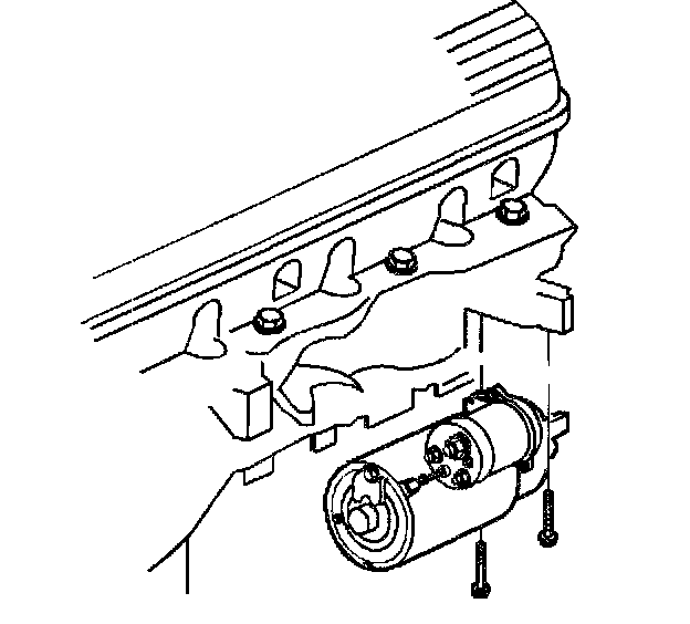
Starter Motor Replacement

REMOVAL PROCEDURE

CAUTION: Refer to Battery Disconnect Caution in Cautions and Notices.




1. Disconnect the negative battery cable.
2. Raise and support the vehicle.
3. Remove the splash shield.
4. Remove the flywheel inspection cover bolts.
5. Remove the cover.
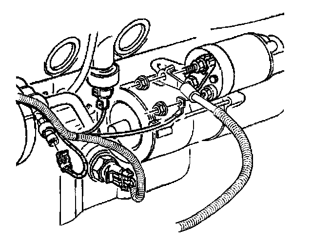
6. Disconnect the starter motor wiring.




7. Remove the starter motor mounting bolts.
8. Remove the starter motor.

INSTALLATION PROCEDURE

NOTICE: Before installing the starter motor to the engine, secure the electrical terminals by tightening the nuts next to the cap on the solenoid battery terminal and on the SD-255 S terminal. If these terminals are not tight in the solenoid cap, the cap may be damaged during installation of the electrical connections and cause the starter to fail later.




1. Install the starter motor.

NOTICE: Refer to Fastener Notice in Cautions and Notices.

2. Install the starter motor mounting bolts.

Tighten
Tighten the bolts to 43 N.m (32 lb ft).

3. Install the flywheel inspection cover.
4. Install the cover bolts.

Tighten
Tighten the bolts to 7 N.m (22 lb in).




5. Connect the starter motor BAT terminal wire.

Tighten
Tighten the BAT terminal nut to 16 N.m (12 lb ft).

6. Connect the starter motor S terminal wire.

Tighten
Tighten the S terminal nut to 3 N.m (22 lb in).

7. Lower the vehicle.
8. Connect the negative battery cable.

Tighten
Tighten the cable bolt to 15 N.m (11 lb ft).