Operation CHARM: Car repair manuals for everyone.
Manuals through 2025 now available!

Our trusted friends have launched a new website named LEMON, which has newer manuals. It also contains all the CHARM manuals.

LEMON is the spiritual successor to CHARM, I recommend you try it!

Link: lemon-manuals.la or lemon-manuals.org.ua

(Some people have issue connecting. LEMON is investigating. For now, use Firefox or change your DNS server)

Or, hide this message: temporarily or permanently

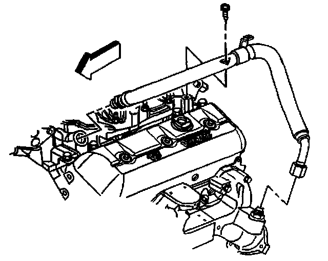
EGR Tube: Service and Repair





REMOVAL PROCEDURE
1. Remove the air cleaner outlet duct.
2. Remove the EGR pipe bracket retaining fastener.
3. Loosen the pipe fittings at both ends of the EGR pipe.
4. Remove the EGR pipe.

INSTALLATION PROCEDURE
1. Install the EGR pipe in the proper location and start the pipe fittings by hand. Do not fully tighten at this step.
2. Ensure that the EGR pipe fittings are correctly lined up on the adaptors to the exhaust and intake manifolds.

NOTE: Refer to Fastener Notice in Service Precautions.

3. Install the EGR pipe fitting to the exhaust manifold.

Tighten
Tighten the EGR pipe fitting to exhaust manifold to 30 N.m (22 lb ft).

4. Install the EGR pipe fitting to the intake manifold.

Tighten
Tighten the EGR pipe fitting to intake manifold to 25 N.m (18 lb ft).

5. Install the EGR pipe bracket retaining fastener.

Tighten
Tighten the fastener to 25 N.m (18 lb ft).

6. Install the air cleaner outlet duct.