Operation CHARM: Car repair manuals for everyone.
Manuals through 2025 now available!

Our trusted friends have launched a new website named LEMON, which has newer manuals. It also contains all the CHARM manuals.

LEMON is the spiritual successor to CHARM, I recommend you try it!

Link: lemon-manuals.la or lemon-manuals.org.ua

(Some people have issue connecting. LEMON is investigating. For now, use Firefox or change your DNS server)

Or, hide this message: temporarily or permanently

Starter Motor: Service and Repair

REMOVAL PROCEDURE

CAUTION: Refer to Battery Disconnect Caution in Cautions and Notices.




1. Disconnect the battery negative cable.
2. Raise and suitably support the vehicle. Refer to Lifting and Jacking the Vehicle
3. Remove the front tire and wheel assembly from the right side of the vehicle.
4. Remove the differential carrier shield mounting bolts, if equipped.
5. Remove the differential carrier shield, if equipped.




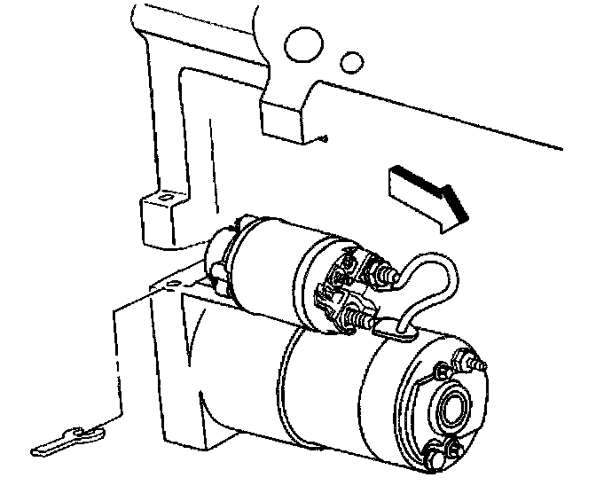
6. Remove the wires from the solenoid.




7. Remove the starter mounting bolts by accessing them below the right wheel house panel.




8. Remove the starter from the vehicle. Note the location of the shims, if equipped.

INSTALLATION PROCEDURE



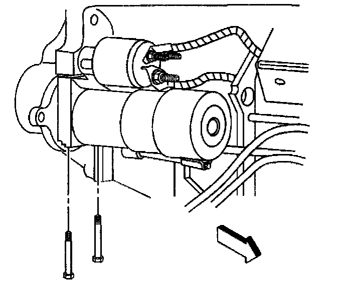
1. Install the starter and the inboard starter mounting bolt. Do not tighten.
2. Install the starter shims, if equipped.

NOTE: Refer to Fastener Notice in Cautions and Notices.




3. Install the outboard starter mounting bolt.

Tighten
Tighten the starter mounting bolts to 50 N.m (37 lb ft).




4. Connect the wires to the solenoid.

Tighten
^ Tighten the battery positive cable nut to 9 N.m (80 lb in).
^ Tighten the engine wiring harness to starter nut to 1.9 N.m (17 lb in).




5. Install the differential carrier shield, if equipped.
6. Install the differential carrier shield mounting bolts, if equipped.

Tighten
Tighten the differential carrier bolts to 25 N.m (18 lb ft).

7. Install the tire and wheel assembly.
8. Lower the vehicle.
9. Connect the negative battery cable.