Operation CHARM: Car repair manuals for everyone.
Manuals through 2025 now available!

Our trusted friends have launched a new website named LEMON, which has newer manuals. It also contains all the CHARM manuals.

LEMON is the spiritual successor to CHARM, I recommend you try it!

Link: lemon-manuals.la or lemon-manuals.org.ua

(Some people have issue connecting. LEMON is investigating. For now, use Firefox or change your DNS server)

Or, hide this message: temporarily or permanently

Electronic Column Lock Module



Electronic Column Lock Module Replacement

Tools Required
- J 23653-SIR SIR Lock Plate Compressor.
- J-42759 Ignition Switch Connector Release Tool.

Removal Procedure

Caution: This vehicle is equipped with a Supplemental Inflatable Restraint (SIR) System. Failure to follow the correct procedure could cause the following conditions:
- Air bag deployment.
- Personal injury.
- Unnecessary SIR system repairs.
In order to avoid the above conditions, observe the following guidelines:
- Refer to SIR Component Views in order to determine if you are performing service on or near the SIR components or the SIR wiring.
- If you are performing service on or near the SIR components or the SIR wiring, disable the SIR system. Refer to Disabling the SIR System.


1. Disable the SIR system.

Important: Remove the SIR coil from the steering shaft and let the SIR coil hang freely.

2. Remove the SIR coil.






3. Install the J 23653-SIR to the steering shaft and compress the shaft lock shield (2).
4. Remove the lock shield retainer from the steering column shaft.
5. Remove the J 23653-SIR from the steering shaft.






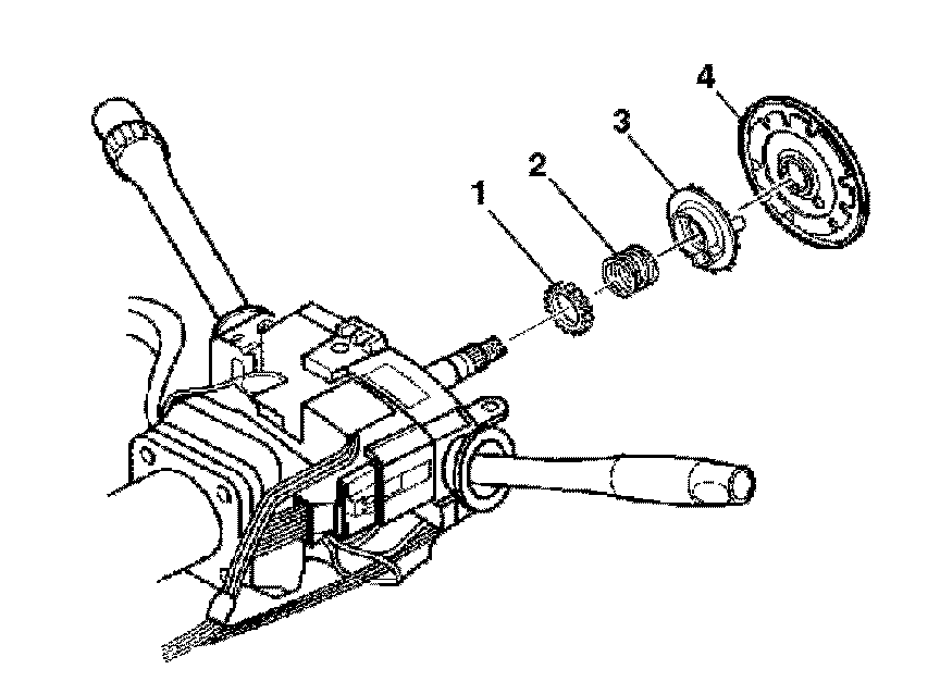
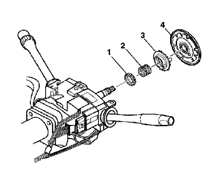
6. Remove the following parts from the steering shaft:
6.1 Shaft lock shield (4).
6.2 Turn signal cancel cam (3).
7. Rotate the steering column lock cylinder to the OFF-LOCK position.






8. Insert a small screwdriver into the slot on the electronic lock module and push down on the park lock cable locking tab and remove park lock cable (1) from the electronic lock module (column shift only).






9. Disconnect the electric park lock (1) electrical connector (2) (floorshift only).






10. Unsnap the electric park lock (2) off of the electronic lock module (1) (floorshift only).






11. Rotate the key alarm switch connector from the electronic lock module.
12. Disconnect the passlock electrical connector from the electronic lock module.






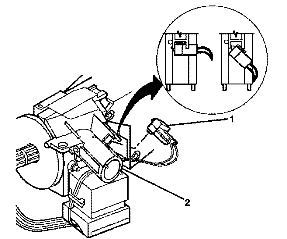
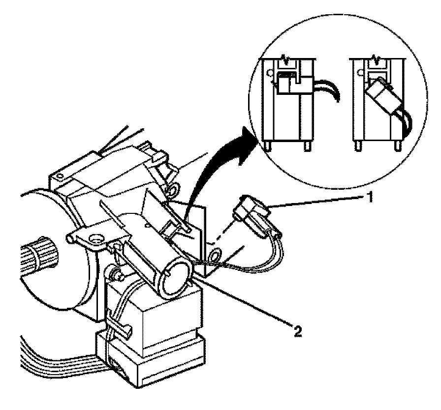
13. Disconnect the ignition switch (2) from the electronic lock module using the J-42759.
14. Remove the ignition switch (2) from the electronic lock module (2).
15. Let the ignition switch (2) hang freely.






16. Remove the electronic lock module (1) mounting screws (2)..
17. Remove the electronic lock module (1) from the steering column housing.

Installation Procedure






1. Install the electronic lock module (1) to the steering column housing.
2. Install the electronic lock module(1) mounting screws (2).






3. Install the ignition switch (2) to the electronic lock module (2).






4. Connect the passlock electrical connector from the lock module.
5. Rotate the key alarm switch connector to the electronic lock module.






6. Snap the electric park lock (2) onto the electronic lock module (1).(floorshift only).






7. Connect the electric park lock (1) electrical connector (2) (floorshift only).






8. Install park lock cable (1) to the electronic lock module (column shift only).






9. Install the following parts to the steering shaft:
9.1 Turn signal cancel cam (3).
9.2 Shaft lock shield (4).






10. Install the J 23653-SIR to the steering shaft and compress the shaft lock shield (2).
11. Install the lock shield retainer to the steering column shaft.
12. Remove the J 23653-SIR from the steering column shaft.
13. Install the SIR coil.
14. Enable the SIR system.